Advanced Energy / Ultravolt C Series High-Voltage DC-DC Power Supplies
Advanced Energy/Ultravolt C Series High-Voltage DC-DC Power Supplies are designed for capacitive charging, which requires fast charging with limited voltage overshoot. These power supplies feature indefinite output short circuit protection, fixed frequency, and <80mA peak-to-peak AC ripple current (nominal input and full load). The C series DC-DC power supplies achieve higher system throughput with quick capacitor charging. These power supplies use surface-mount technology and encapsulation techniques to improve system reliability. The C series DC-DC power supplies are used in applications such as pulsed power, test equipment, mass spectrometry, Automated Test Equipment (ATE), and HV amplifier bias.Features
- Fast-rise charging power delivered from an optimized design
- Limited overshoot, typically less than 1% of high voltage setpoint
- Achieve higher system throughput with quick capacitor charging
- Minimize stress on storage capacitors and improve system reliability
- Responsive and adaptable control of high-voltage capacitor charging processes
- Expand mechanical integration, external RF protection, and interconnection possibilities
- Indefinite output short circuit protection
- Output voltage and current monitors
- UL/cUL recognized component
Applications
- Cap-charging
- Pulse power
- Automated Test Equipment (ATE)
- Lasers and electro-optics
- HV pulse generator bias
- HV amplifier bias
- Mass spectrometry
- Test equipment
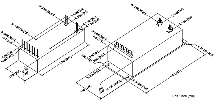
Mechanical Diagram
Videos
發佈日期: 2025-02-09
| 更新日期: 2025-02-17
