Advantech iDAQ-8 Series Analog Output Modules

Advantech iDAQ-8 series Analog Output Modules feature 4-channel, 16 bits resolution, and maximum update rates of 10kS/s/ch. These iDAQ-8 series modules are Hot-swappable in the iDAQ system and offer multiple voltages and current output ranges. The Analog output modules offer 4 x 16-bit analog output channels with 600VRMS isolation. These iDAQ-8 series modules feature detachable Euro-type spring terminal connectors. The Analog output modules operate at -20°C to 60°C operating temperature range, 0.675W power consumption, and -40°C to 70°C storage temperature range.

Features

  • Hot-swappable in the iDAQ system
  • Detachable Euro-type spring terminal connectors
  • 4 x 16-bit analog output channels with 600VRMS isolation
  • Multiple voltages and current output range
  • Operation mode:
    • Static or buffered
    • Software configurable

Specifications

  • 0.675W power consumption
  • 4 channels analog input
  • 16 bits resolution
  • 1V/μs output slew rate
  • 5Grms vibration
  • Output load:
    • 1kΩ min output voltage
    • 520Ω max output current
  • Output impedance:
    • 0.06Ω typical output voltage
    • 100MΩ typical output current
  • 600VRMS isolation protection
  • -40°C to 70°C storage temperature range
  • -20°C to 60°C operating temperature range

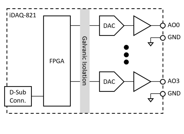
Block Diagram

Block Diagram - Advantech iDAQ-8 Series Analog Output Modules

Videos

發佈日期: 2022-06-09 | 更新日期: 2023-11-03