Amphenol Aerospace Centaur Press Fit PCB Connectors
Amphenol Aerospace Centaur Press Fit PCB connectors feature compliant eye press fit tails and support data rates up to 10Gbps. These connectors are available in 32 to 40 differiantial pairs, and this configuration is connected straight to the board for a rugged 38999 integrated system. The Centaur press fit PCB connectors are fully electrically tested and offer copper alloy as a contact material. These connectors offer aluminum and stainless steel with standard plating options. The Centaur press fit PCB connectors feature keying 500 mating cycles, selective gold alloy, and pure tin over 50u Ni contact plating. These connectors operate at -40°C to 85°C temperature range and 100Ω impedance.
Features
- Compliant eye press fit tails
- Compatible with standard right angle ExaMAX or vertical header options
- Ruggedized light-weight aluminum MIL-DTL-38999 series III size 23 and 25
- Keying: “N” (Standard) “A”, “B”, “C”, “D”, “E”
- VITA 47 shock and vibration
- Fully electrically tested
- Copper alloy contact material
- Aluminum and stainless steel with standard plating options shell material
- Selective gold alloy and pure tin over 50u Ni contact plating
Specifications
- 100Ω impedance
- Supports data rates up to 10Gbps PAM4
- 500 mating cycles
- -40°C to 85°C operating temperature range
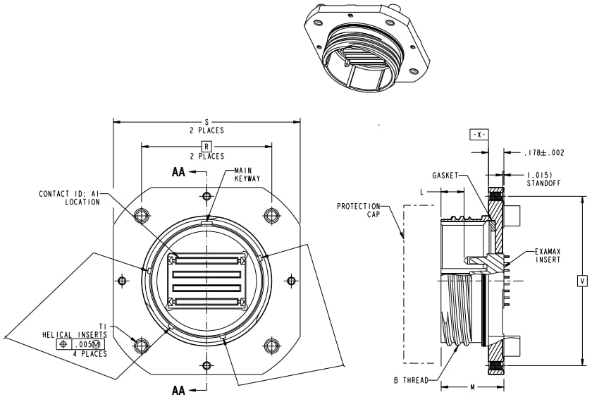
Mechanical Drawing
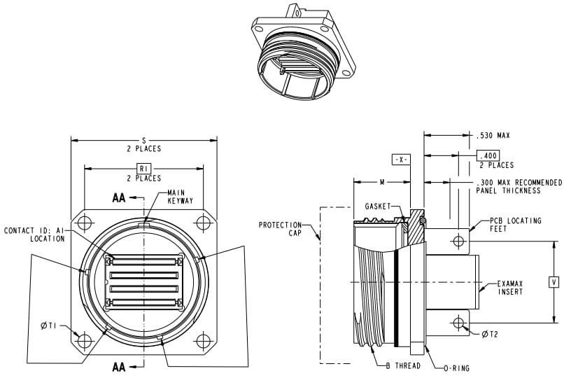
Mechanical Drawing
Additional Resource
發佈日期: 2024-04-18
| 更新日期: 2025-12-15
