Amphenol Aerospace Rugged Ethernet Switches
Amphenol Aerospace Rugged Ethernet Switches support 10/100/1000BASE-T copper ethernet and fiber optic Ethernet, including single mode 1GBASE-EX or 1GBASE-LX, and multimode 1GBASE-SX. These switches are ideal for routing multiple Gigabit ethernet connections into systems. The Ethernet switches are fully customizable with plating, keying, mechanical mounting, clocking, modes of fiber, and combinations of copper and fiber ports. These switches operate from -40°C to 70°C temperature range and are available in 4, 6, and 8 port options.Features
- IEEE or better specifications support the following protocols:
- 10/100/1000BASE-T
- 100BASE-FX
- 1GBASE-FX
- 1GBASE-EX and -ZX
- 1GBASE-LX and -LX10
- 1GBASE-SX and -SX4
- Complete ruggedization for MIL-STD-810 shock and vibration
- Ideal for routing multiple Gigabit Ethernet connections into systems
- No need for internal subsystem fiber harnesses, interconnects, or transceivers
- Utilizes copper transceivers and existing interconnect (backplane, harnessing, faceplate) for system fiber connection
- Media conversion at the connector reduces system complexity and cost
- All benefits of the MIL-DTL-38999 circular connector in a media converter
- -40°C to +70°C operating temperature range
Videos
CF_020400_51X_A and CF_020400_57X_A Mechanical Diagrams
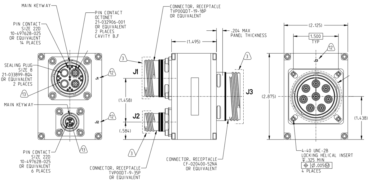
CF_020400_52X_A Mechanical Diagram
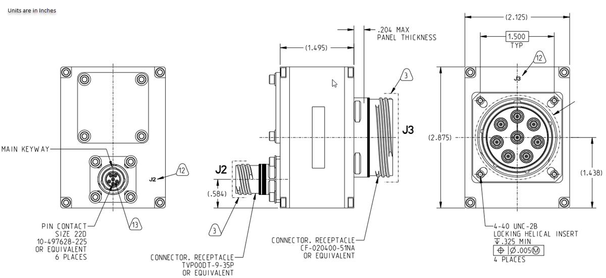
CF_020400_56X_A Mechanical Diagram
Additional Resources
發佈日期: 2023-09-11
| 更新日期: 2025-01-14
