Amphenol Advanced Sensors T6793高精準度NDIR二氧化碳感測器

Amphenol Advanced Sensors Telaire T6793是一種微型、非分離式、單通道OEM CO2感測器模組,具有許多較大感應器的精準度和可靠性。Telaire T6793符合CA第24篇的精確標準,精準度為±45ppm +3%,測量範圍為440ppm至2000ppm。Amphenol Advanced Sensors Telaire T6793感測器適用於需要測量和控制CO2級別的室內空氣品質或節能應用。

特點

  • 用於OEM的具有成本效益的氣體感測解決方案
  • 符合CA第24篇的精確標準
  • 使用Telaire ABC Logic™軟體,在大多數應用中無需進行校準;終身校準保修
  • 訊號每5秒更新一次
  • 靈活的CO2感測器平台,設計用於與其他微處理器裝置互動
  • 可靠、小巧的設計允許簡單的產品整合
  • 擴散採樣方法

應用

  • 室內空氣品質
  • 按需控制通風
  • 其他節能應用

規格

  • 0ppm至2000ppm或0ppm至5000ppm測量範圍
  • 400ppm至5000ppm ±45ppm +3%讀數測量精準度
  • 作業預熱時間不到2分鐘
  • 作業條件
    • -10°C至+60°C溫度範圍
    • 0至95% RH(無凝結)
  • 採用10分鐘預熱時間可確保最高精準度
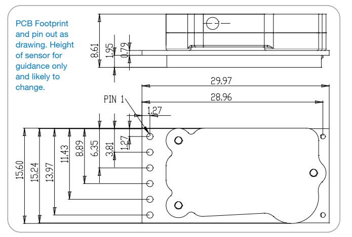
  • 29.97mm x 15.60mm x 8.61mm尺寸
  • 電源要求
    • 4.5VDC至5.5VDC電壓
    • 200mA(典型值155mA)峰值電流
    • 25mA(典型值20mA)平均電流

影片

尺寸 (mm)

圖表 - Amphenol Advanced Sensors T6793高精準度NDIR二氧化碳感測器
發佈日期: 2022-08-19 | 更新日期: 2023-05-18