ams OSRAM Metal Can® PLT5 Laser Diodes
ams OSRAM PLT5 Laser Diodes are single transverse mode semiconductor lasers with a high modulation bandwidth and are available in green and blue colors. The PLT5 laser diodes are available in a T056 package with a photodiode and feature an efficient radiation source for Continuous Wave (CW) and pulsed operation. These laser diodes are available in different variants based on color, optical output power, and typical emission wavelength. Specific applications include laser projection, laser shows, biomedical applications, and metrology.Features
- 10mW to 110mW (Tcase= 25°C) optical output power (continuous wave)
- 450nm to 520nm typical emission wavelength
- Efficient radiation source for CW and pulsed operation
- Single transverse mode semiconductor lasers
- High modulation bandwidth
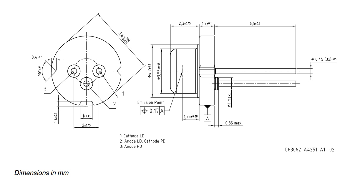
- Robust 5.6mm diameter TO-56 Metal Can package
Applications
- Laser projection
- Laser shows
- Presenter
- Biomedical
- Metrology
Additional Resources
TO-56 Package Overview
TO56 Package Outline
View Results ( 10 ) Page
| 零件編號 | 規格書 | 說明 | 輸出功率 | 波長 | Vf - 順向電壓 | 最低工作溫度 | 最高工作溫度 |
|---|---|---|---|---|---|---|---|
| PLT3 450GB | ![]() |
激光二極管 METAL CAN TO38 BLU LASER DIODE | 100 mW | 450 nm | 5.2 V | - 20 C | + 70 C |
| PLT5 450GB | ![]() |
激光二極管 BLUE LASER DIODE METAL CAN | 100 mW | 450 nm | 5.2 V | - 20 C | + 70 C |
| PLT5 520EB_Q | ![]() |
激光二極管 Green laser diode, PLT5 520EB_Q- 20mW green laser diode in robust TO56 package | 20 mW | 520 nm | - 20 C | + 70 C | |
| PLT5 520FB_P | ![]() |
激光二極管 Green laser diode, PLT5 520FB_P - 50mW green laser diode in robust TO56 package | 50 mW | 520 nm | - 20 C | + 60 C | |
| PLT5 488 | ![]() |
激光二極管 Laser Diode TO56 | 488 nm | - 20 C | + 60 C | ||
| PLT3 520FB | ![]() |
激光二極管 GREEN LASER TO38 | 50 mW | 520 nm | - 20 C | + 60 C | |
| PLT5 518FB_P | ![]() |
激光二極管 Green laser diode, PLT5 518FB_P - 30mW green laser diode in robust TO56 package | 30 mW | 520 nm | - 20 C | + 60 C | |
| PLT5 520DB_P | ![]() |
激光二極管 Green laser diode, PLT5 520DB_P - 10mW green laser diode in robust TO56 package | 10 mW | 515 nm | - 20 C | + 60 C | |
| PLT5 520EB_P | ![]() |
激光二極管 Green laser diode, PLT5 520EB_P - 20mW green laser diode in robust TO56 package | 20 mW | 520 nm | - 20 C | + 60 C | |
| PLT5 520B | ![]() |
激光二極管 Green Laser Diode 520nm, 110mW | 110 mW | 520 nm | 6.4 V | - 10 C | + 85 C |
發佈日期: 2018-06-14
| 更新日期: 2024-07-31

