Analog Devices Inc. AD5371 40-Channel Voltage Output DACs

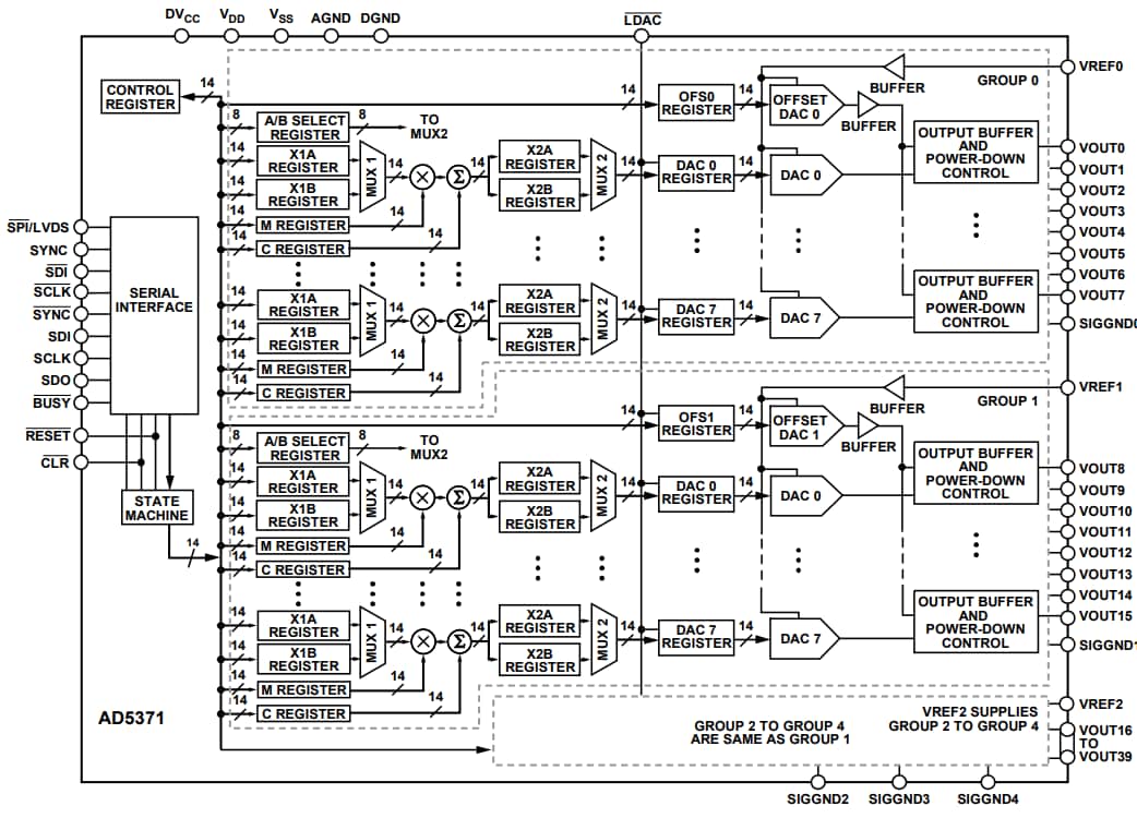
Analog Devices Inc. AD5371 40-Channel 14-bit Serial Input, Voltage Output DACs offer buffered voltage outputs with a range of four times the reference voltage. Each channel has a programmable gain and an offset adjust register. Designers can trim the gain and offset of each DAC independently to remove errors. For additional flexibility, the device is divided into five groups of eight DACs. Three offset DACs enable designers to adjust the output range of the groups. The AD5371 DACs provide guaranteed operation over a wide supply range, with VSS from -16.5V to -4.5V and VDD from 9V to 16.5V. The output amplifier headroom requirement is 1.4V operating with a load current of 1mA.

The Analog Devices AD5371's high-speed serial interface is compatible with SPI, QSPI™, MICROWIRE™, and DSP interface standards, and can handle clock speeds of up to 50MHz. AD5371 DACs also include a 100MHz low-voltage differential signaling (LVDS) serial interface. The devices update the DAC registers on the reception of new data.

Features

  • 40-channel DAC in 80-lead LQFP and 100-ball CSP_BGA
  • Guaranteed monotonic to 14-bits
  • Maximum output voltage span of 4 × VREF (20V)
  • Nominal output voltage span of -4V to 8V
  • Multiple, independent output voltage spans available
  • System calibration function allowing user-programmable offset and gain
  • Channel grouping and addressing features
  • Thermal shutdown function
  • DSP/microcontroller-compatible serial interface
  • SPI/LVDS serial interface
  • 2.5V to 5.5V digital interface
  • Digital reset (RESET)
  • Clear function to user-defined SIGGNDx
  • Simultaneous update of DAC outputs

Applications

  • Level setting in Automatic Test Equipment (ATE)
  • Variable Optical Attenuators (VOA)
  • Optical switches
  • Industrial control systems
  • Instrumentation

Block Diagram

Block Diagram - Analog Devices Inc. AD5371 40-Channel Voltage Output DACs
發佈日期: 2017-09-30 | 更新日期: 2022-04-26