Analog Devices Inc. ADAQ4381-4 Quad-Channel DAQ Module

Analog Devices Inc. ADAQ4381-4 Quad-Channel Data Acquisition (DAQ) Module is designed for precision and efficiency. This device integrates a high resolution 14-bit, 4 MSPS ADC, ADC driver, and power management in a single device. Using SIP technology, the ADAQ4381-4 module reduces end-system component count by combining multiple common signal processing and conditioning blocks into a single device. The module supports fully differential and single-ended inputs, ensuring flexibility across various applications. Ideal for industrial automation, medical imaging, and test equipment, the ADAQ4381-4 combines high-speed performance with space-saving integration.

Features

  • Easy to use μModule® data acquisition system:
    • 11x footprint reduction versus discrete solution
    • Integrated critical passive components
    • 5V single-supply operation
  • Guaranteed 14-bit no missing codes
  • On-chip oversampling function
  • 2-bit resolution boost
  • Out-of-range indicator (ALERT)
  • SNR (typical):
    • 85dB at gain = 1, fIN = 1kHz
    • 92.4dB with OSR = x8 at gain = 1, fIN = 1kHz
  • Channel-to-channel phase matching: 0.005° typical at fIN = 20kHz
  • Integrated high precision reference, 3ppm/°C typical drift
  • 0.003% typical gain error
  • 0.8ppm/°C typical gain drift
  • Integrated internal buffer with VCM generation
  • Integrated fully differential ADC driver with signal scaling:
    • Wide input common-mode voltage range
    • High common-mode rejection
  • Single-ended to differential conversion
  • High-speed serial interface

Applications

  • Lab grade battery test system
  • Motor control current sense
  • Motor control position feedback
  • Sonar
  • Power quality monitoring
  • Data acquisition system
  • Erbium-Doped Fiber Amplifier (EDFA) requirements
  • I and Q demodulation

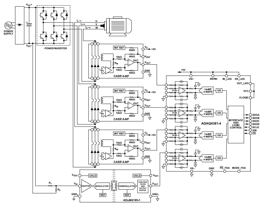
Application Circuit Diagram

Application Circuit Diagram - Analog Devices Inc. ADAQ4381-4 Quad-Channel DAQ Module
發佈日期: 2025-01-27 | 更新日期: 2025-03-14