Analog Devices Inc. ADMT4000真正開機即用多圈位置感測器
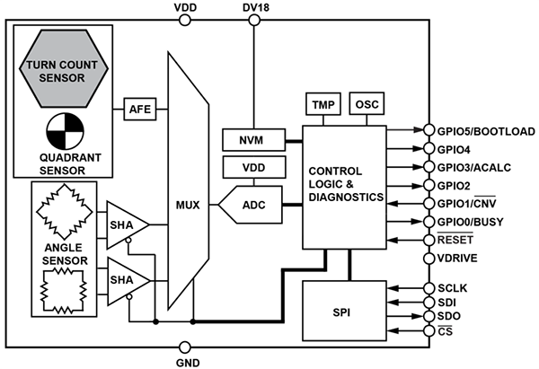
Analog Devices ADMT4000真正開機即用多圈位置感測器是一款磁性轉數感測器,即使在裝置電源關閉的情況下,仍能記錄磁性系統的轉數。上電時,可透過串列週邊介面 (SPI) 詢問裝置,以報告系統的絕對位置。Analog Devices ADMT4000可對外部磁場進行最多46圈的計數,並以順時針方向遞增絕對位置。
特點
- 真正的開機即用多圈計數器
- 46轉磁感測器
- 從磁性復位開始順時針正向計數
- >16k°數位輸出
- ±0.25°精確度
- 100kSPS量測更新率
- 16mT至31mT作業範圍
- 內部溫度感測器
- 3.3V IC供電
- 1.8V至5V SPI介面
- -40°C至+150°C結點溫度範圍
- 24腳位TSSOP封裝
Related Accessories
Provides a robust solution for maintaining the magnetic window requirements of the ADMT4000.
發佈日期: 2022-11-09
| 更新日期: 2025-09-30