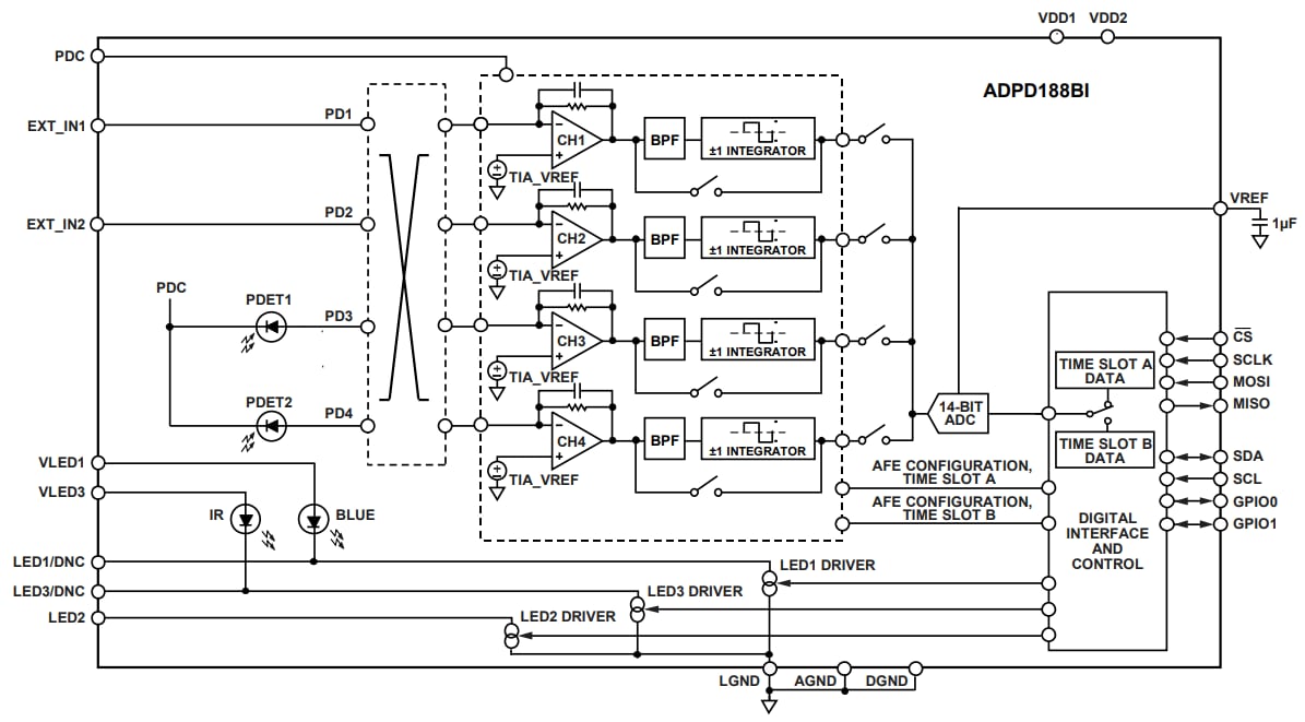
特定應用積體電路 (ASIC) 的前端包含控制區塊、含20位元突波蓄壓器的14位元類比轉數位轉換器 (ADC),以及三個彈性、可獨立設定的LED驅動器。控制電路內含彈性的LED訊號與同步偵測。類比前端 (AFE) 具有同級最佳的拒斥能力,可避免大多由環境光造成的調頻干擾導致的訊號偏移與毀損。資料輸出與功能性組態可透過1.8V I2C介面或序列周邊裝置介面 (SPI) 連接埠執行。
特點
- 模組尺寸3.8 mm × 5.0 mm × 0.9 mm,含整合式光學元件
- 1個藍光LED、1個紅外線LED,和2個光電二極體
- 2個用於其他感測器(例如,一氧化碳和溫度)的外部輸入
- 20位元突波蓄壓器,允許每取樣期間20位元
- 3個370 mA LED驅動器
- 內建取樣對取樣累加器,每次資料讀取高達27位元
- 最佳化SNR,適用於訊號受限的外殼
- I2C或SPI通訊
影片
方塊圖
技術文章
- Reducing the False Alarm Rate - How Smoke Alarms Can Pass the Hamburger Nuisance Alarm Test
The newly introduced hamburger nuisance test is very hard to pass because the smoke particles from a burnt hamburger patty do not differ that much from normal smoke. Discover why the integrated optical module for smoke detection is a turning point.
EVAL-ADPD188BI-ALGO - UL/EN Algorithms Software
EVAL-ADPD188BI-DATA - UL/EN Data Set
發佈日期: 2018-08-15
| 更新日期: 2024-08-22

