Analog Devices Inc. ADRF5042/43矽非反射式44 GHz SP4T開關

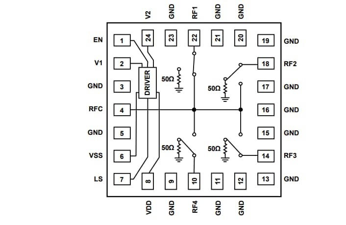
Analog Devices Inc. ADRF5042/43矽非反射式44 GHz SP4T開關採用矽絕緣體 (SOI) 製程。ADRF5042的頻率範圍介於100 MHz至44 GHz,插入損耗低於3.2 dB,隔離高於35 dB。ADRF5042開關在通過與終止路徑上的射頻輸入功率處理能力達24 dBm。

ADI ADRF5042需要+3.3V和-3.3V的雙供應電壓。本裝置具備CMOS和低電壓電晶體對電晶體邏輯 (LVTTL) 相容控制。ADRF5042具備啟用和邏輯選擇控制,可分別提供全關閉狀態和連接埠鏡射。ADRF5042的腳位與作業範圍介於9 kHz至44 GHz的ADRF5043低頻截斷版本相容。

ADRF5042矽非反射式SP4T開關採用24個端子、3 mm x 3 mm、符合RoHS標準的平面柵格陣列 (LGA) 封裝,作業溫度介於-40°C至+105°C。

特點

  • 100MHz至44 GHz超寬頻頻率範圍
  • 非反射50Ω設計
  • 低插入損耗
    • 1.8dB,最高至18GHz
    • 2.8dB,最高至40GHz
    • 3.2dB,最高至44GHz
  • 高隔離
    • 50dB,最高至18GHz
    • 39dB,最高至40GHz
    • 35dB,最高至44GHz
  • 高輸入線性
    • 26dBm(典型值)P0.1dB
    • 47dBm(典型值)IP3
  • 高功率處理
    • 24dBm通過路徑
    • 24dBm終止路徑
  • 全關閉狀態控制
  • 邏輯選擇控制
  • 無低頻雜散
  • 30ns安定時間(最終RF輸出0.1 dB)
  • 24個端子、3 mm x 3 mm、平面柵格陣列 (LGA) 封裝
  • 腳位與低頻截斷版本的ADRF5043相容

應用

  • 工業掃描器
  • 測試儀器
  • 手機基礎架構 – 毫米波 (mmWave) 5G
  • 軍用無線電、雷達、電子反制 (ECM)
  • 微波無線電與超小型天線 (VSAT)

方塊圖

結構圖 - Analog Devices Inc. ADRF5042/43矽非反射式44 GHz SP4T開關

影片

ADRF5042頻率圖

ADRF5043頻率圖

發佈日期: 2020-09-23 | 更新日期: 2024-11-11