Analog Devices Inc. ADuM4221/-1/-2 半橋式柵極驅動器
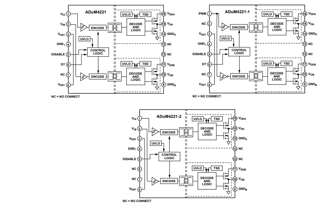
Analog Devices ADuM4221/-1/-2 是 4 A 隔離式半橋柵極驅動器,採用 iCoupler® 技術提供獨立且隔離的高側和低側輸出。 ADuM4221/-1/-2 在增加爬電距離的寬體16 引腳 SOIC_IC 中提供 5700 Vrms 隔離。這些隔離組件將高速 CMOS 與單片式變壓器技術結合,提供優於各類替代品(如脈衝變壓器與柵極驅動器的組合)的卓越性能特性。這些裝置的運作邏輯輸入電壓範圍為 2.5 V 到 6.5 V,提供與較低電壓系統的兼容性。與採用高壓電平轉換方法的柵極驅動器相比,ADuM4221/-1/-2 可在輸入與每個輸出之間實現真實的電流隔離。ADuM4221及ADuM4221-1均具有內建重疊保護功能,並允許死區時間調整。死區時間引腳 (DT) 與GND1引腳之間的單個電阻會在高側與低側輸出之間設定死區時間。
如果ADuM4221/-1/-2上的內部溫度超過TSD溫度,內部熱關機 (TSD) 會使輸出降低。因此,這些裝置可對絕緣閘極雙極電晶體 (IGBT) 或金屬氧化物半導體場效電晶體 (MOSFET) 的開關特性提供可靠的控制,適用於廣泛的正極或負極開關電壓。
特點
- 4A峰值電流(<2Ω RDSON_x)
- 輸入電源電壓:2.5V至6.5V
- 4.5V至35.0V輸出電源電壓
- UVLO VDD1正向閾電壓:最高2.5V
- VDDA及VDDB正向閾電壓的多個UVLO選項
- A級:最高4.5V
- B級:最高7.5V
- C級:最高11.6V
- 精確計時特徵
- 最大傳播延遲:44ns
- 可調節死區時間及雙輸入(ADuM4221)
- 可調節死區時間及單輸入(ADuM4221-1)
- 無死區時間控制及雙輸入(ADuM4221-2)
- CMOS輸入邏輯電平
- 高共模瞬態抗擾度:150kV/µs
- 高結溫操作:125°C
- 預設低輸出
- 安全及監管批准(待定)
- 符合UL 1577標準的UL認證
- 1分鐘持續時間為5700Vrms
- CSA組件驗收通知5A
- VDE合規證書
- DIN V VDE V 0884-11為VIORM = 849V峰值
- 符合UL 1577標準的UL認證
- 增加的爬電寬度、16引線SOIC_IC
應用
- 開關電源
- 隔離式IGBT/MOSFET閘極驅動器
- 工業逆變器
- 與氮化鉀(GaN)/碳化矽(SiC)相容
影片
結構圖
發佈日期: 2020-09-18
| 更新日期: 2025-03-11
