Analog Devices Inc. EVAL-ADRF5717 Evaluation Board
Analog Devices Inc. EVAL-ADRF5717 Evaluation Board evaluates the features and performance of the ADRF5717 2-bit digital attenuator with a 48dB attenuation control range manufactured in the silicon-on-insulator (SOI) process. This connectorized, full-featured evaluation board provides an easy connection to test equipment and offers an additional throughline for calibration.Features
- Full-featured evaluation board for the ADRF5717
- Easy connection to test equipment
- Additional throughline for calibration
Applications
- Industrial scanners
- Test and instrumentation
- Cellular infrastructure (5G millimeter wave)
- Military radios, radars, and electronic countermeasures (ECMs)
- Microwave radios and very small aperture terminals (VSATs)
Required Equipment
- DC power supply
- Network analyzer
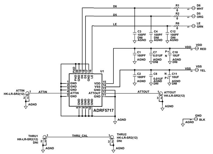
Schematic
Additional Resources
發佈日期: 2024-03-06
| 更新日期: 2024-03-15
