首頁
最新產品
製造商新品
Analog Devices Inc.
EVAL-CN0391-ARDZ評估板 - ADI
Analog Devices Inc. EVAL-CN0391-ARDZ評估板
擴大
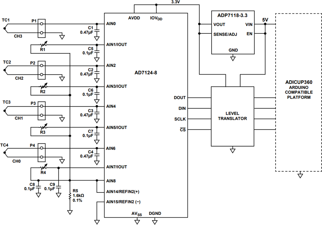
Analog Devices Inc. EVAL-CN0391-ARDZ評估板採用Arduino附加卡尺寸,可幫助設計人員加速CN0391多通道熱電耦測量系統的原型建立。CN0391多通道熱電耦測量系統使設計人員能輸入最多四個熱電耦。本評估板支援八種熱電耦,包括K、J、T、R、S、E、N和B。每個單獨的熱電耦類型都具備冷接點補償及完整的嵌入式演算法。CN0391可任意組合熱電耦。
特點
彈性的4通道熱電耦系統
冷接點補償
24位元數位化
所需元件
設計規格相容於Arduino UNO、Due及Pmod™介面。
相關產品
Low noise, low power, 24-Bit, Sigma-Delta ADC with PGA and Reference.
20V and 40V CMOS low dropout linear regulators providing up to 200mA of output current.
Ideally suited for applications ranging from temperature to gas sensing and pH to light sensing.
Related Solutions
Offers a legacy of sensing and interpreting data at the edge and delivering intelligent insights.
擴大
發佈日期: 2016-08-31
| 更新日期: 2025-03-25