Analog Devices Inc. EVAL-LTC7899-AZ評估板
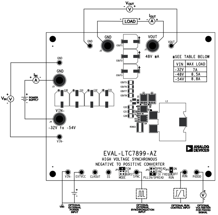
Analog Devices EVAL-LTC7899-AZ評估板搭載LTC7899 140V低IQ、同步式負輸入轉正輸出控制器,並且提供可程式的5V至10V閘極驅動。EVAL-LTC7899-AZ為完整組裝且通過測試的電路板,用於展示LTC7899的效能表現。該評估電路設計可在-32V至-54V的輸入電源下提供正48V輸出,負載電流最高可達8.8A。該電路板的開關頻率已設定為150kHz,因此峰值效率最高可達97.3%。該評估電路採用120V FET設計;亦可替換為覆蓋區相似的各類FET,以符合多樣化的應用需求。Analog Devices EVAL-LTC7899-AZ提供了一種高性能且具備成本效益的解決方案,可由負輸入產生正48V輸出。應用
- 工業電源系統
- 軍用/航空電子設備
- 電信電源系統
其他資源
測試設置
板配置
發佈日期: 2025-09-16
| 更新日期: 2025-12-23
