Analog Devices Inc. HMC451 GaAs pHEMT MMIC Amplifiers
Analog Devices HMC451 GaAs pHEMT MMIC Amplifiers are compact, medium power amplifiers offered in RoHS-compliant bare die, SMT-16, and QFN-16 packages. Operating between 5GHz and 20GHz, the HMC451 amplifiers provide up to 22dB of gain, up to +22dBm of saturated power, and up to 24% PAE from a single +5.0V supply. Consistent gain and output power across the operating band make it possible to use a common driver/LO amplifier approach in multiple radio bands. This 50Ω matched amplifier does not require any external components, and the RF I/O’s are DC blocked, making it an ideal linear gain block or LO driver for HMC SMT mixers.The compact size of the Bare Die HMC451 makes it ideal for integration into Multi-Chip-Modules (MCMs). The HMC451LC3 QFN-16 and HMC451LP3 SMT-16 packages allow for the use of automated surface-mount pick-and-place manufacturing techniques.
Features
- Gain
- HMC451: 22dB
- HMC451LC3: 19db
- HMC451LP3: 18dB
- Saturated Power
- HMC451: +22 dBm @ 24% PAE
- HMC451LC3: +21 dBm @ 21% PAE
- HMC451LP3: +21 dBm @ 18% PAE
- Output IP3
- HMC451: +30dBm
- HMC451LC3: +30dBm
- HMC451LP3: +28dBm
- Single Supply
- HMC451: +5V @ 127mA
- HMC451LC3: +5V @ 114mA
- HMC451LP3: +5V @ 120mA
- Package Options
- HMC451: Bare Die
- HMC451LC3: SMT-16
- HMC451LP3: QFN-16
- Package Dimensions
- HMC451: 1.27mm x 1.27mm
- HMC451LC3: 3mm x 3mm
- HMC451LP3: 3mm x 3mm
Applications
- Point-to-Point radio
- Microwave radio and VSAT
- Military and rpace
- Test equipment and sensors
- Fiber optics
- LO Driver for HMC mixers
HMC451 Functional Diagram
HMC451LC3 Functional Diagram
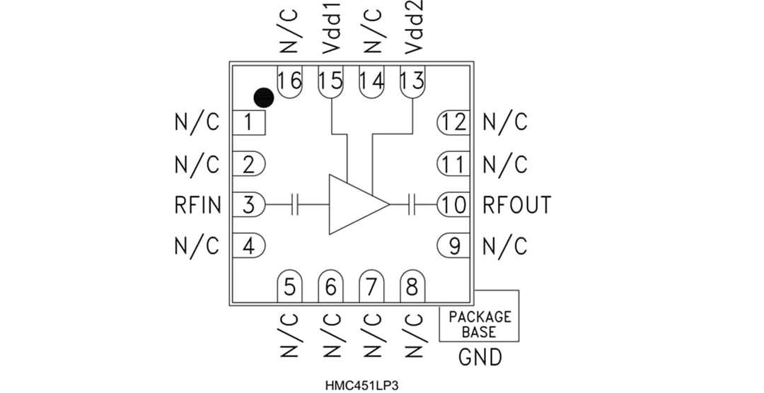
HMC451LP3 Functional Diagram
View Results ( 8 ) Page
| 零件編號 | 規格書 | 說明 | 增益 |
|---|---|---|---|
| HMC451LC3 | ![]() |
RF放大器 Medium pow amp SMT, 5 - 20 GHz | 19 dB |
| HMC451LP3 | ![]() |
RF放大器 GaAs pHemt MMIC Med PA, 5 - 20 GHz | 18 dB |
| HMC451LC3TR-R5 | ![]() |
RF放大器 Medium pow amp SMT, 5 - 20 GHz | |
| HMC451LP3E | ![]() |
RF放大器 GaAs PHEMT MMIC Med PA, 5 - 18 GHz | 18 dB |
| HMC451LP3ETR | ![]() |
RF放大器 GaAs PHEMT MMIC Med PA, 5 - 18 GHz | 18 dB |
| HMC451LC3TR | ![]() |
RF放大器 Medium pow amp SMT, 5 - 20 GHz | 19 dB |
| HMC451-SX | ![]() |
RF放大器 5-20 GHz pHEMT Driver amp | 22 dB |
| HMC451LP3TR | ![]() |
RF放大器 GaAs pHemt MMIC Med PA, 5 - 20 GHz |
發佈日期: 2019-05-08
| 更新日期: 2024-01-04

