Analog Devices Inc. LTC3871 PolyPhase®控制器
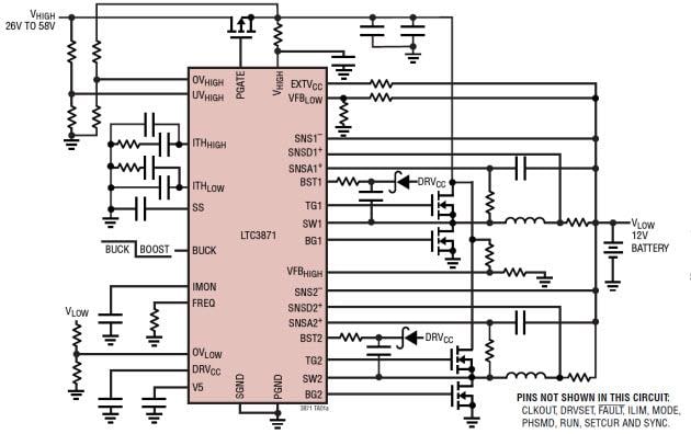
Linear Technology/Analog Devices LTC3871雙向PolyPhase®同步控制器是高效能100V/30V雙向兩相控制器,能夠根據需要在降壓或升壓模式下運作。LTC3871可根據控制訊號在降壓模式下執行從VHIGH至VLOW的調節,在升壓模式下實施從VLOW至VHIGH的調節。這些調節功能使LTC3871控制器非常適合用於汽車雙電池系統。這些控制器透過精確電流程式設計環路來調節在任何方向上傳輸的最大電流。電流程式設計環路允許兩個電池透過將一個電池的能量轉換到另一個電池來同時向負載提供能量。LTC3871採用專有恒定頻率電流模式架構改善了信噪比。這種增強型信噪比能夠實現低雜訊運作,並可實現出色的相間電流匹配。LTC3871的其它特性包括連續或斷續運作、OV/UV監控器、精確輸出電流監控、降壓及升壓運作的獨立回路補償以及過電流保護。特點
- 獨特架構允許動態調節輸入電壓、輸出電壓或電流
- VHIGH電壓達100V
- VLOW電壓達30V
- 同步整流:效率高達97%
- LTC專有高級電流模式控制
- 過熱電壓調節精度為±1%
- 降壓及升壓運作的精確可程式輸出電流監控及調節
- 可選降壓及升壓電流檢測限值
- 可程式DRVCC/EXTVCC優化了效率
- 可程式VHIGH UV及OV閾值
- 可程式VLOW OV閾值
- 可鎖相頻率:60kHz至460kHz
- 多相/多IC作業:最高12相
- 可選CCM/DCM模式
- 散熱增強型48腳位LQFP封裝
應用
- 汽車用48V/12V雙電池系統
- 備用電源系統
典型應用圖
Creating a Dual-Output Voltage Rail with Source and Sink Capability for ATE Applications
This article describes a technique for producing dual-output voltage rails that deliver positive and negative rails for a device power supply (DPS) with only one bidirectional power supply. The conventional way of supplying power to DPS uses two bidirectional power supplies, one for the positive rail and one for the negative rail, which is bulky and expensive. This method offers an alternative to the traditional approach, resulting in a more compact and cost-effective solution.
發佈日期: 2017-04-28
| 更新日期: 2025-07-08
