LTC5597 RMS功率偵測器 (0.1-70 GHz) 的DC輸出電壓能準確呈現施加在RF輸入上的平均訊號功率。在35 dB動態範圍內,其響應與dB呈線性,對數斜率為28.5 mV/dB,精準度通常優於±1 dB。本裝置特別適合用於測量峰值因數 (CF) 高達12 dB的波形,以及在測量過程中呈現明顯峰值因數變化的波形。
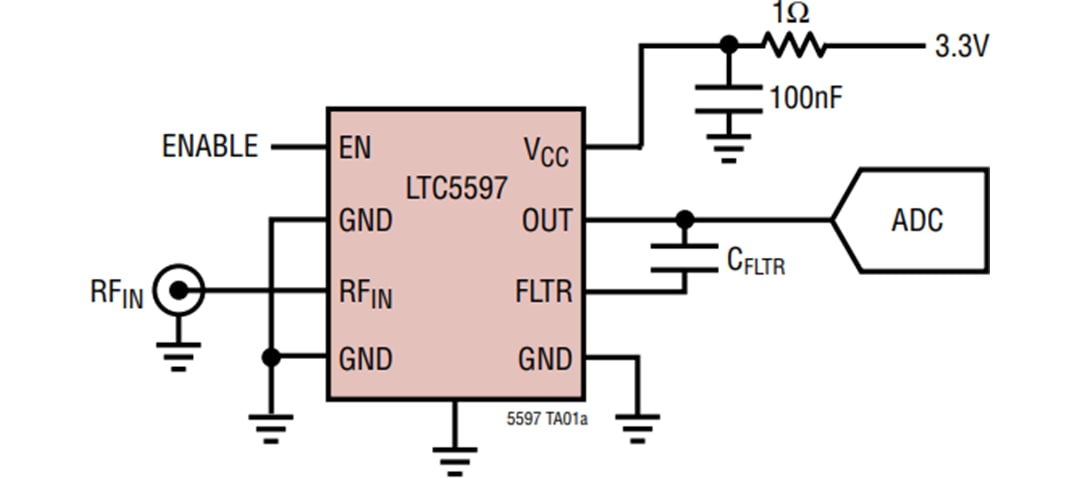
為了達到更高的精準度和更低的輸出漣波,平均頻寬可透過在FLTR和OUT腳位之間連接電容器來進行外部調節。啟用介面可在主動測量模式和低功耗關機模式之間切換裝置。
Linear Technology/Analog Devices LTC5597 RMS功率偵測器採用輕巧的8腳位雙列平面無導線 (DFN) 封裝,非常適合空間受限的應用。
特點
- 超寬的100 MHz至70 GHz匹配輸入頻率範圍
- 35 dB線性動態範圍(誤差小於±1 dB)
- 28.5mV/dB對數斜率
- 100 MHz至60 GHz為±2 dB平坦響應
- 不受輸入波形影響,準確的RMS功率測量,高達12 dB的高峰值因數
- 低功耗關機模式
- 3V(典型值)下,33 mA低供應電流
- 作業溫度範圍
- -40°C至+105°C (LTC5597I)
- -40°C至+125°C (LTC5597H)
- 保證對數斜率和對數截距
- ESD等級
- 2500V HBM
- 1500V CDM
- 2mm x 2mm塑膠DFN8封裝,含外露焊盤
應用
- 點對點微波連結
- 5G、LTE、Wi-Fi、無線網路
- 衛星通訊
- 儀器與測量設備
- 軍用無線電
- RMS功率測量
- 接收與發射增益控制
- RF PA發射功率控制
典型應用電路
腳位配置與封裝尺寸
Output Voltage vs Frequency
Output Voltage vs RF Input Power
發佈日期: 2020-08-05
| 更新日期: 2024-10-28

