Analog Devices Inc. LTM8051四通道40Vɪⲛ µModule®穩壓器
Analog Devices Inc. LTM8051四通道40VIN Silent Switcher® μModule®穩壓器為1.2A降壓Silent Switcher穩壓器。Silent Switcher架構不只能將EMI降到最低,還能在最高3 MHz的頻率下達到高效率。這些穩壓器內建控制器、電源開關、電感器和支援元件。LTM8051穩壓器支援0.8V至8V的輸出電壓,切換頻率介於300 kHz至3 MHz,各由一部電阻器設定。這些穩壓器尺寸小巧 (6.25 mm × 11.25 mm × 2.22 mm),採用包覆成型球柵陣列 (BGA) 封裝,適合標準表面黏著設備的自動化組裝。典型應用包括自動化測試設備、分散式供電調節、工業電源供應器和醫療設備。特點
- 四部完整的降壓交換式電源供應器
- 低雜訊Silent Switcher架構
- 符合CISPR22 Class B
- 符合CISPR25 Class 5
- 可多相或多部μmodule並聯,以提高輸出電流
應用
- 自動化測試設備
- 分散式供電調節
- 工業電源供應器
- 醫療設備
規格
- 3V至40V寬輸入電壓範圍
- 0.8V至8V寬輸出電壓範圍
- 300kHz至3MHz可選切換頻率範圍
- 尺寸小巧的表面黏著BGA封裝 (6.25mm × 11.25mm × 2.22mm)
- 在12VIN和3.3VOUT、TA = 85°C時,每通道連續輸出1.2A電流
- 在12VIN和3.3VOUT、TA = 60°C時,每通道連續輸出1.5A電流
- -40°C至125°C作業溫度範圍
方塊圖
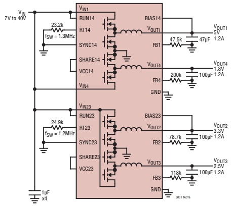
典型應用電路圖
效能圖示
發佈日期: 2020-10-30
| 更新日期: 2024-11-26
