Analog Devices / Maxim Integrated MAX22208 Quad Half H-Bridge Drivers

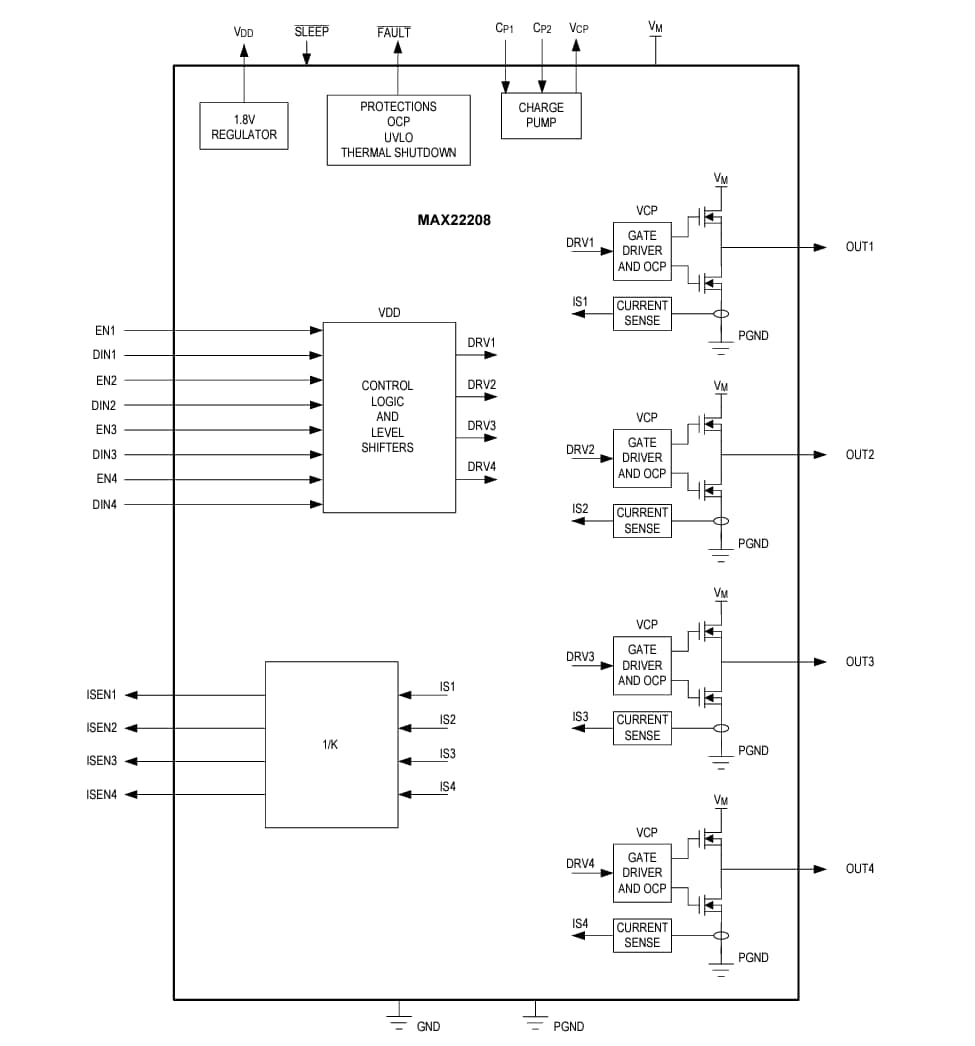
Analog Devices MAX22208 Quad Half H-Bridge Drivers equip four individually controllable, 65V half H-bridge drivers. The devices can be implemented to drive four solenoids, one single stepper motor, two brushed DC motors or a combination of different loads.

The power FETs provide very low impedance, allowing high driving efficiency and low heat dissipation. The typical total RON (high-side plus low-side) is 0.3Ω (typ). Each half bridge can be individually pulse-width modulation (PWM) controlled with two logic inputs (DIN, EN).

The ADI MAX22208 integrates non-dissipative current sensing, eliminating the bulky external power resistors needed for this function. The integration results in dramatic space and power saving compared with mainstream applications based on the external sense resistor.
A current proportional to the internally sensed load current is output to the external current-monitor pins (ISEN). Attaching an external resistor to these pins generates a voltage proportional to the motor current. The voltage drop across the external resistors can be input into the controller ADC whenever the control algorithm demands the current/torque information.

The maximum output current per half H-bridge is IMAX = 3.8A and is limited by the overcurrent protection (OCP) circuit. This current can be driven for very short transients and aims to drive small capacitive loads effectively.

The MAX22208 is housed in a small 5mm x 7mm, 38-pin TQFN and 4.4mm x 9.7mm, 38-pin TSSOP package.

Features

  • Four independent half H-bridge drivers
    • 65V maximum operating voltage
    • 0.3Ω (typ) RON (high side + low side) at TA = +25°C
    • Fully independent half-bridge control
  • Current rating per H-bridge (TA = +25°C):
    • IMAX = 3.8A (Impulse current for driving capacitive loads)
    • IRMS=2A
  • Integrated Current Sensing (ICS) eliminates external bulky resistors and improves efficiency
  • Current-sense output monitor
  • Fault indicator pin (FAULT)
    • Overcurrent protection for each individual channel (OCR)
    • Undervoltage Lockout (UVLO)
    • Thermal Shutdown TSD = +155°C
  • 5mm x 7mm, 38-Pin TQFN and 4.4mm x 9.7mm, 38-Pin TSSOP packages

Applications

  • Brushed DC motor driver
  • Stepper motor driver
  • Solenoid driver
  • Latched valves

Specifications

  • 4.5V to 65V supply voltage range
  • 20uA sleep-mode current consumption
  • 5mA quiescent current consumption
  • 18mA VDD current limit
  • 110mV input hysteresis
  • 270mΩ output on-resistance low-side
  • 300mΩ output on-resistance high-side
  • 300V/µs output slew rate

Simplified Block Diagram

Block Diagram - Analog Devices / Maxim Integrated MAX22208 Quad Half H-Bridge Drivers

Functional Diagram

Application Circuit Diagram - Analog Devices / Maxim Integrated MAX22208 Quad Half H-Bridge Drivers
發佈日期: 2024-10-11 | 更新日期: 2024-11-04