Analog Devices Inc. SCP-LT3045-1-EVALZ評估板

Analog Devices Inc. SCP-LT3045-1-EVALZ評估板設計用於評估LT3045-1高性能低壓差線性穩壓器。此板是一種20V 500mA低壓降(LDO)穩壓器,可在雜訊敏感電路中實現低雜訊運作。SCP-LT3045-1-EVALZ板配置為寬輸出範圍,運作時極其安靜,具有高PSR。此板可方便地插入其他SCP板,以形成完整的訊號鏈電源系統,可實現快速評估低功耗訊號鏈。

特點

  • 在雜訊敏感電路中實現低雜訊運作
  • 20V最大輸入電壓(VIN(MAX))
  • 19.5V最大輸出電壓(VOUT(MAX))
  • 500mA最大輸出電流(IOUT(MAX))

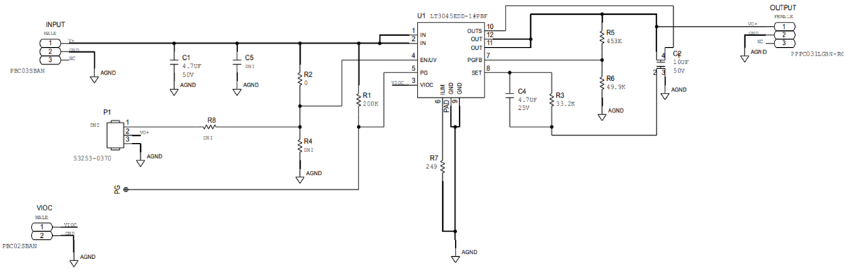
電路圖

電路圖 - Analog Devices Inc. SCP-LT3045-1-EVALZ評估板
發佈日期: 2021-03-09 | 更新日期: 2022-03-11