Analog Devices / Maxim Integrated DS2478 Evaluation Kit
Analog Devices DS2478 Evaluation Kit provides the necessary software and hardware solutions to exercise the features of the DS2478 coprocessor in conjunction with DS28E40 / DS28C40 ICs. This Analog Devices kit consists of five DS2478 / DS28E40 / DS28C40 devices in a 10-pin TDFN package and two DS9121ATB+ TDFN socket boards along with a DS9481P-300# USB-to-I2C/1-Wire® adapter. The evaluation software runs under Windows® 10, Windows 8, and Windows 7 operating systems, both 64-bit and 32-bit versions. Typical applications include automotive secure authentication, IoT node crypto-protection, identification and calibration of automotive parts/tools, and secure storage of cryptographic keys for a host controller.Features
- Demonstrates the features of the DS2478
- DeepCover® ECDSA secure 1-wire and I2C authenticators
- Communication is logged to aid the firmware designer’s understanding of DS2478 and the DS28E40/DS28C40 authenticators
- 1-Wire/I2C USB adapter creates a virtual COM port on any PC
- Fully compliant with USB specification v2.0
- Software runs on Windows 10, Windows 8, and Windows 7 for both 64-Bit and 32-Bit versions
- 3.3V ±3% 1-wire operating voltage
Applications
- Automotive secure authentication
- Identification and calibration automotive of parts/ tools/accessories
- IoT node crypto-protection
- Secure authentication of accessories and peripherals
- Secure storage of cryptographic keys for a host controller
- Secure boot or download of firmware and/or system parameters
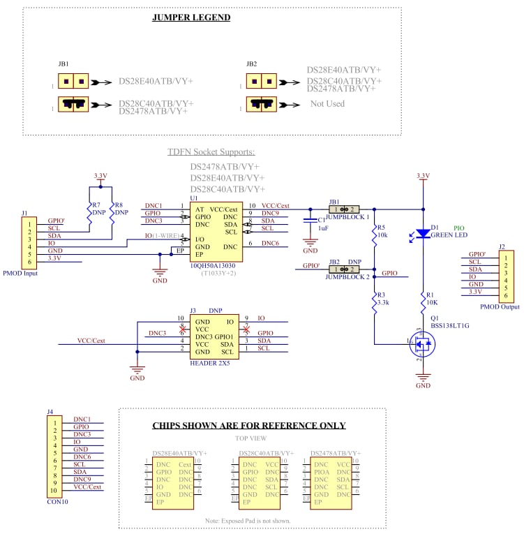
DS2478EVKIT Schematic Diagram
發佈日期: 2022-04-13
| 更新日期: 2023-04-17
