Analog Devices / Maxim Integrated DS3911 I2C Quad DAC
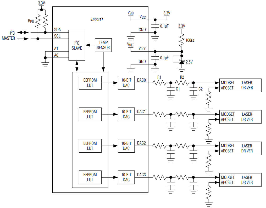
Analog Devices DS3911 I2C Quad DAC uses an I2C -compatible interface operating at speeds up to 400kHz. The controller features an on-chip temperature sensor that indexes the NV look-up tables (LUTs) within a -40°C to +100°C temperature range and with a resolution of up to 2°C. The DS3911 DAC from Analog Devices is offered in a 3mm x 5mm, 14-pin TDFN package.Features
- Four 10-bit delta-sigma outputs
- On-chip temperature sensor and ADC
- Four temperature-indexed LUTs, up to 2°C resolution
- I2C-Compatible serial interface
- Address pins allow up to four DS3911s to share the same I2C bus
- 2.8V to 5.5V Digital supply
- -40°C to +100°C Operating temperature range
- 3mm x 5mm, 14-Pin TDFN package
Applications
- Active optical cables
- Optical transceivers
- Linear and nonlinear compensation
- Instrumentation and industrial controls
Operating Circuit
發佈日期: 2012-01-18
| 更新日期: 2023-04-13
