Analog Devices Inc. MAX15158/MAX158A多相升壓控制器
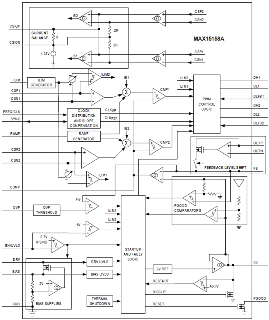
Maxim MAX15158/MAX158A高壓多相升壓控制器設計用於支援多達兩個MOSFET驅動器及四個外部MOSFET,採用單相或雙相升壓/反向升降壓組態。可堆疊兩個裝置用於四相操作。MAX15158輸出電壓可透過1V至2.2V參考輸入 (REFIN) 動態設定,用於支援模組設計。對於MAX15158A,REFIN腳位被移除,默認選擇內部2.0V參考電壓。開關頻率可透過設置內部振蕩器的外部電阻器或將調節器與外部時鐘同步來控制。這些裝置設計用於支援120kHz至1MHz的開關頻率。控制器擁有專用的啟用/輸入欠壓鎖定 (EN/UVLO) 腳位,可靈活配置電源排序。MAX15158/MAX15158A擁有專用升降腳位來調整內部斜率補償。這些裝置具有可調過電流保護功能。該裝置整合了電流感應放大器,以準確測量通過外部檢測電阻的每相電流,以實現精確的相位電流共用。該控制器還可防止輸出過壓、輸入欠壓及熱關機。這些裝置採用5mm × 5mm、32腳位TQFN封裝,並支援-40°C至125°C結溫範圍。
特點
- 操作範圍廣
- 升壓組態的輸入電壓範圍為8V至76V,反向降升壓組態的輸入電壓範圍為-8V至-76V
- 輸出電壓範圍:3.3V至60V
- 開關頻率範圍:120kHz至1MHz
- 溫度範圍:-40°C至125°C
- 單/雙/四相操作
- 有源相電流平衡控制
- 整合減少了設計尺寸
- 用於產生偏壓電源的內部LDO
- 多相多控制器同步與交錯
- 輸出電壓感應電平變換器
- 穩健的故障保護可提高品質及可靠性
- 可調輸入欠壓鎖定
- 週期可調峰值電流限制及快速過電流保護
- 可選回饋過壓保護
- 熱關機
- 靈活及簡單的系統設計
- 可調斜率補償
- 用於精確電流感應的低側MOSFET閘極監控
- 當使用二極體取代高側MOSFET時,支援不連續傳導模式操作
- 小型5mm x 5mm TQFN封裝、0.5mm間距
應用
- 通訊
- 工業
- 汽車業
- 多相升壓
MAX15158方塊圖
MAX15158A方塊圖
發佈日期: 2020-04-03
| 更新日期: 2024-05-08
