Maxim Integrated MAX17691A和MAX17691B具備低RDS(ON)、76V、170 mΩ整合式nMOSFET初級開關,是專為在4.2V至60V的廣泛供電範圍下運作所設計。這些裝置的切換頻率可在100 kHz至350 kHz的範圍內設定。具備EN/UVLO功能,可讓使用者在所要的輸入電壓下,準確開關電源轉換器。透過使用OVI腳位實現輸入過電壓保護(僅適用於MAX17691A)。軟啟動可限制啟動時的湧浪電流。MAX17691A和MAX17691B支持外部時脈同步,可避免搭載多重轉換器之系統的輸入匯流排出現低頻「跳動」。這些裝置還具有可編程的頻率抖動功能,可實現低EMI展頻操作。
MAX17691A和MAX17691B允許對輸出整流二極體順向壓降的變化進行溫度補償。MAX17691A從內部針對迴路穩定性進行補償,另外MAX17691B則提供外部迴路補償的彈性。MAX17691A和MAX17691B具有強大的Hiccup保護和過熱保護方案,採用節省空間的12腳位、3 mm x 3 mm TDFN封裝,適用溫度範圍介於-40°C至+125°C。
特點
- 可減少外部元件並降低總成本
- 不需要光耦合器和次級側的錯誤放大器
- 最多節省20%空間
- 76V、低RDS(ON)整合式nMOSFET
- 內部迴路補償 (MAX17691A)
- 內建軟啟動
- 可減少功耗
- 效率超過 > 90%
- 可提供最高7.5W輸出功率
- 頻率折疊可提升輕負載時的效率
- 2.5µA關機電流
- 支援關鍵的系統級設計要求
- 頻率抖動功能,支援低EMI展頻操作
- 切換頻率同步
- 符合CISPR22 ClassB EMI要求
- 可在不利的環境下穩定運作
- 可選購輸出電壓溫度補償功能
- Hiccup電流限制保護
- 可程式EN/UVLO閾值
- 輸入過電壓 (OVI) 保護 (MAX17691A)
- 過熱保護
- 高工業級-40°C至+125°C環境作業溫度範圍/-40°C至+150°C接面溫度範圍
應用
- 隔離電源供應器
- PLC I/O模組
- IGBT閘極驅動器供電
- 工業與電信應用
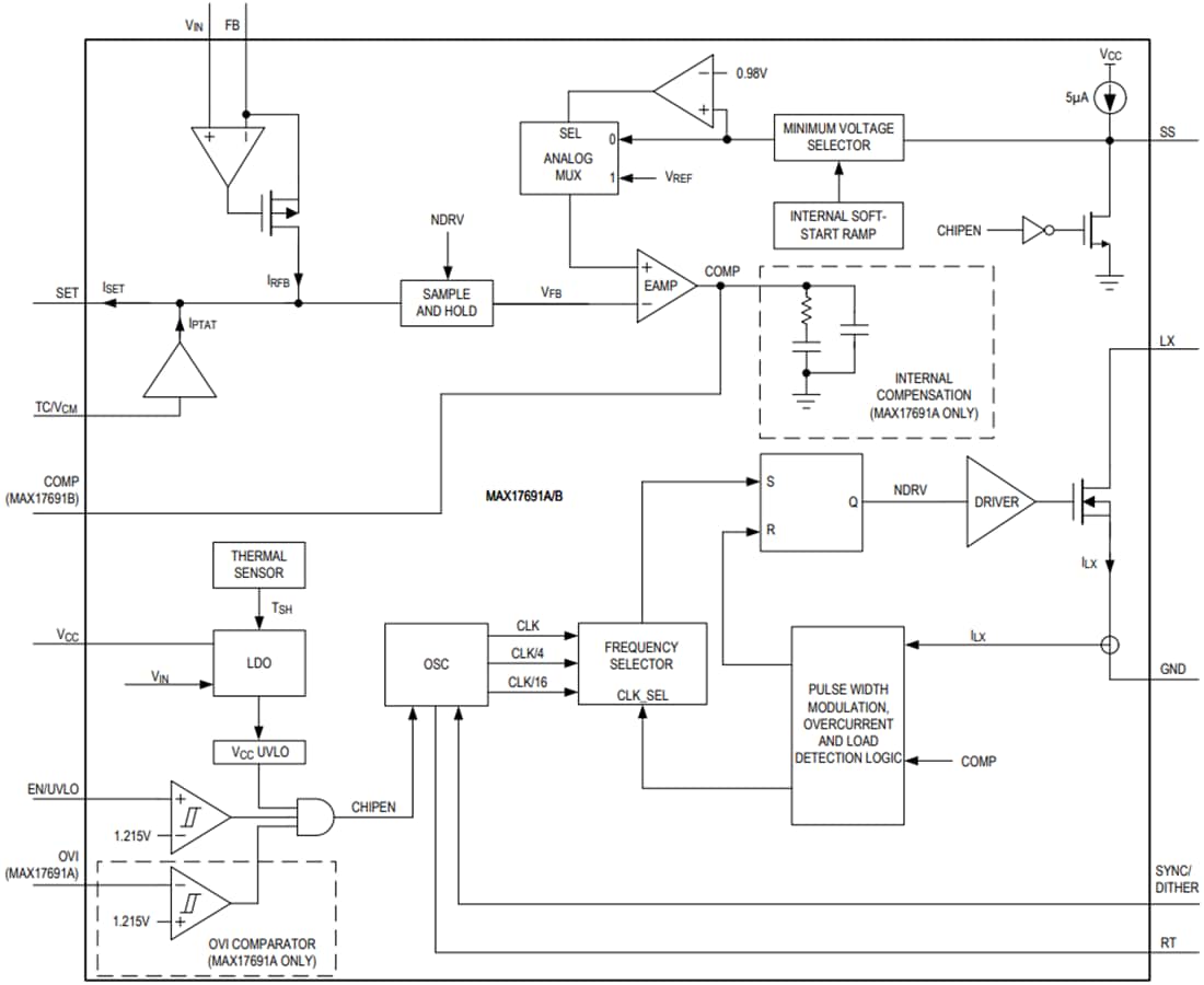
功能方塊圖
發佈日期: 2020-08-25
| 更新日期: 2025-02-21

