Analog Devices / Maxim Integrated MAX20011x Step-Down Converters

Analog Devices MAX20011C, MAX20011D, and MAX20011G High-Efficiency Step-Down Converters operate with a 3.0V to 5.5V input voltage range and supply a 0.5V to 1.275V output voltage range. The wide input/output voltage range and the ability to provide up to 16A peak output current make this device ideal for onboard point-of-load and post-regulation applications. The MAX20011C, MAX20011D, and MAX20011G achieve ±1.5% output error over load, line, and temperature ranges.

These Step-Down Converters feature a 2.2MHz fixed-frequency PWM mode for better noise immunity and load-transient response. The 2.2MHz frequency operation allows for all-ceramic capacitors and minimizes external components. The spread-spectrum frequency modulation option minimizes radiated electromagnetic emissions. Integrated low RDS(ON) switches improve efficiency at heavy loads and make layout simpler than discrete solutions.

The modules are offered with factory-preset output voltage. The I2C interface supports dynamic voltage adjustment with programmable slew rates. Other features include programmable soft-start, overcurrent, and overtemperature protection. Analog Devices MAX20011C, MAX20011D, and MAX20011G Step-Down Converters are offered in a 3.5mm x 4.0mm, 17-pin side-wettable FC2QFN package.

Features

  • High-efficiency DC-DC converter
  • Up to 16A peak output current
    • MAX20011B: 12A
    • MAX20011C: 16A
    • MAX20011D: 12A
  • Differential remote voltage sensing
  • 3.0V to 5.5V operating supply voltage
  • I2C controlled output voltage (0.5V to 1.275V in 6.25mV steps)
  • Excellent load-transient performance
  • Programmable compensation
  • 2.2MHz or 1.1MHz operation
  • ±1.5% output voltage accuracy
  • RESET output
  • Current-mode, forced-PWM operation
  • ASIL D compliant
    • Redundant reference
    • BIST diagnostics
    • PEC on I2C
    • Programmable OV/UV with ±1% accuracy
  • Over-temperature and short-circuit protection
  • 3.5mm x 4.0mm 17-pin side-wettable FC2QFN
  • -40°C to +125°C grade 1 automotive temperature range

Applications

  • Automotive ADAS systems
  • SoC core power

Videos

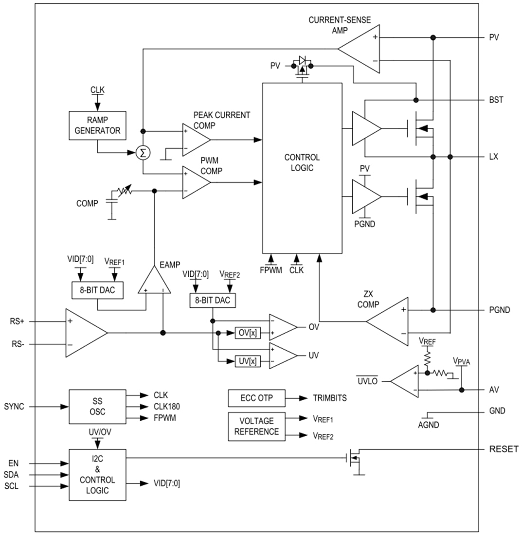
Block Diagram

Block Diagram - Analog Devices / Maxim Integrated MAX20011x Step-Down Converters
發佈日期: 2021-11-08 | 更新日期: 2024-06-10