Analog Devices / Maxim Integrated MAX22195高速八通道工業數位輸入

Maxim MAX22195高速八通道工業數位輸入可將八個24V工業數位輸入轉換為八個CMOS相容的並聯輸出。所有通道的輸入到輸出傳播延遲皆在300 ns內。每個數位輸入上的電流限制器可大幅減少功率消耗,遠優於傳統的電阻式輸入。這些電流限制器極為精準,一方面能將功率消耗降到最低,同時也能確保符合IEC 61131-2標準。MAX22195具備電流設定電阻器,可針對Type 1、Type 2或Type 3輸入進行設定。此外,MAX22195具備節能現場側LED驅動器,符合IEC 61131-2的指示燈要求,且不會額外消耗功率。

特點

  • 高速工業數位輸入
    • 300 ns最大傳播延遲
    • ±10 ns最大通道對通道歪斜
    • 並聯輸出可同步傳輸訊號
  • 高整合度,可減少BOM數量,節省電路板空間
    • 直接由現場供電運作(7V至65V)
    • 相容於3.3V或5V邏輯
    • 5 mm x 5 mm,32-TQFN封裝
  • 低功耗,低發熱
    • 低靜態電流(最大1.2 mA)
    • 精準的輸入電流限制器
    • 節能現場側LED驅動器
  • 內建診斷功能,支援容錯
    • 整合式現場側供電監控器
    • 整合式過熱監控器
    • 電流設定電阻器監控器
  • 易於設定,適合各種應用
    • 可設定IEC 61131-2 Type 1、2、3輸入
    • 於0.56 mA至3.97 mA之間可設定輸入電流限制
  • 堅固的設計
    • 使用最小1 kΩ電阻器時,容許±1 kV突波
    • 使用最小1 kΩ電阻器時,±8 kV接點ESD,±15 kV氣隙ESD
    • -40°C至+125°C環境運作溫度

應用

  • 可程式邏輯控制器
  • 工業自動化
  • 製程自動化
  • 大樓自動化

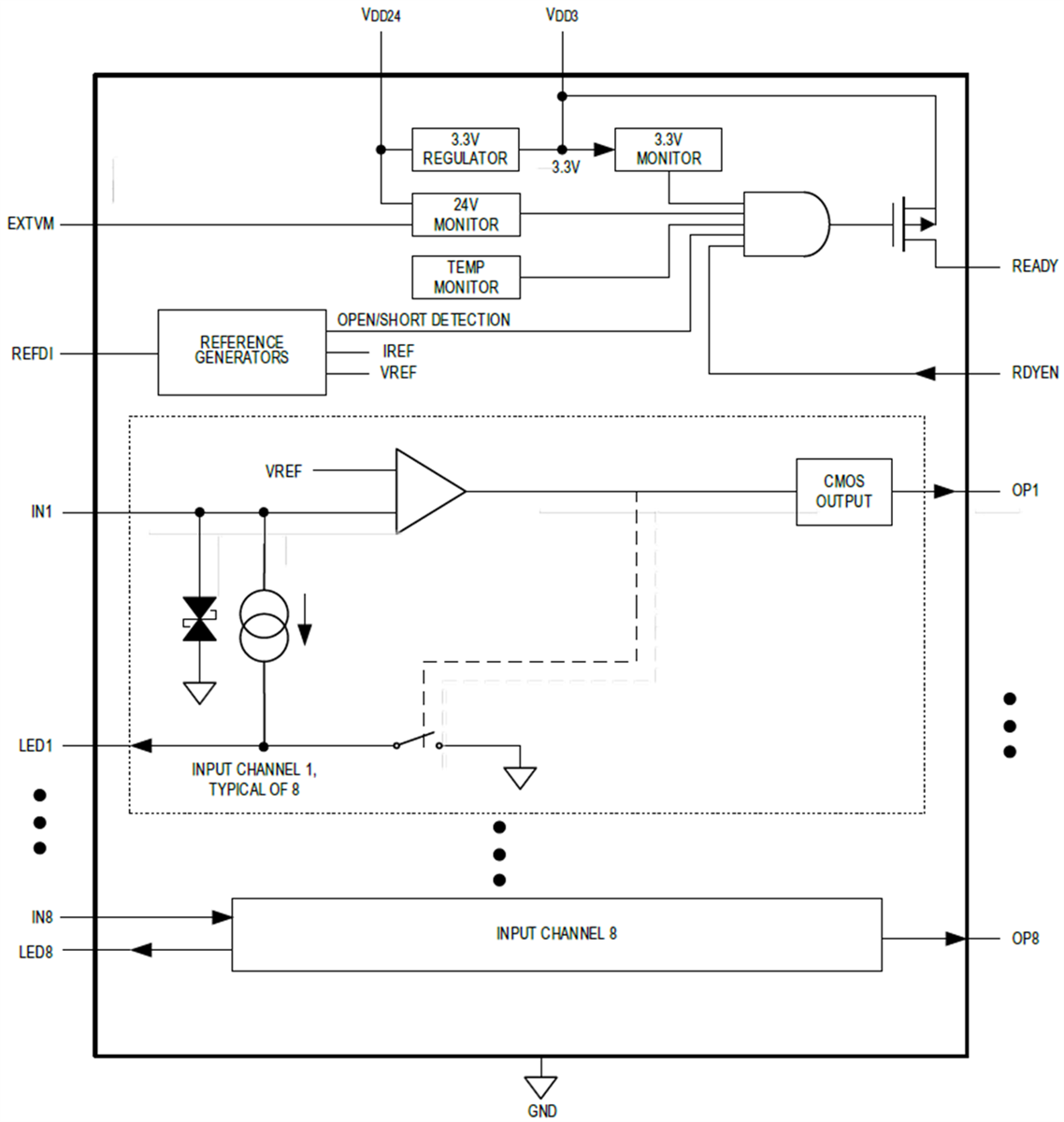
功能/方塊圖

結構圖 - Analog Devices / Maxim Integrated MAX22195高速八通道工業數位輸入
發佈日期: 2018-08-29 | 更新日期: 2023-04-25