Analog Devices / Maxim Integrated MAX22288家用匯流排系統相容收發器

Maxim Integrated MAX22288家用匯流排系統相容收發器用於資料和電源傳輸於單對導線上的應用。此收發器透過使用動態線纜終端,可盡量減少使用外部組件的需求,並提供穩定的通訊。這可改善較長線纜和更高資料傳輸率的訊號品質。當MAX22288沒有供電時,裝置的資料輸出AIO/BIO不會載入匯流排。MAX22288支援最高200kbps的資料傳輸。

特點

  • 可配置的穩定通訊
  • 動態纜線終端可提升高速應用的訊號品質
  • 用於低EMI的可調節轉換速率
  • 1000米UTP纜線的最大資料傳輸率高達200kbps
  • 可程式接收器閾值
  • 節省空間
  • 4mm x 4mm TQFN封裝
  • 腳位至腳位與MAX22088相容
  • 整合保護
  • 符合IEC 61000-4-2 ±8kV接觸放電和15kV空氣放電ESD保護標準
  • 所選外部組件提供IEC 61000-4-5 ±1kV暫態突波保護
  • -40°C至+125°C操作溫度範圍

應用

  • 暖通空調
  • 建築控制器
  • 工業物聯網

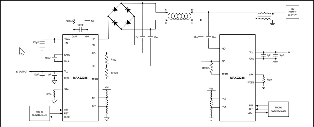
簡單家用匯流排系統 (HBS)

Analog Devices / Maxim Integrated MAX22288家用匯流排系統相容收發器
發佈日期: 2021-10-08 | 更新日期: 2023-04-17