Analog Devices / Maxim Integrated MAX22445 4通道數位隔離器

Maxim Integrated MAX22445 4通道數位隔離器為經過強化、速度快且低功耗的數位隔離器。本裝置用於在不同電源區域的電路之間傳輸數位訊號,每通道在1Mbps速度下的耗電量為0.74mW。MAX22445隔離器提供單向通道組態,可容納任何的4通道設計,包括SPI、RS-485和數位I/O應用。此數位隔離器通道為隨時啟用,且裝置的輸出預設狀態可自行選擇。 

MAX22445隔離器提供25Mbps或200Mbps的資料傳輸速率,隔離器兩端分別使用獨立的1.71V至5.5V電源供應,並提供3種方向組態。本裝置可在-40°C至125°C溫度範圍下運作。MAX22445 4通道數位隔離器採用16腳位寬體SOIC封裝,漏電距離和間隙為8mm。其典型應用包括隔離式SPI介面、電池管理、隔離式RS-485/RS-422和醫療系統。

特點

  • 採用Maxim專利製程技術
  • 經強化的電流隔離功能,可快速傳輸數位訊號:
    • 最高資料傳輸速率200Mbps
    • 可耐受5kVRMS長達60秒
    • 可持續耐受1500VRMS
    • 可耐受GNDA和GNDB之間1.2/50μs波形的±10kV突波
  • 低耗電量:
    • 每通道在1Mbps和1.8VDD下為0.74mW
    • 每通道在1Mbps和3.3VDD下為1.4mW
    • 每通道在100Mbps和1.8VDD下為3.2mW
  • 提供多種選項可支援廣泛應用:
    • 2種最高資料傳輸速率(200Mbps或25Mbps)
    • 3種方向組態
    • 高電位有效或低電位有效啟用輸入
    • 2種固定輸出預設狀態(高/低)或透過腳位選擇(M/N版本)

應用

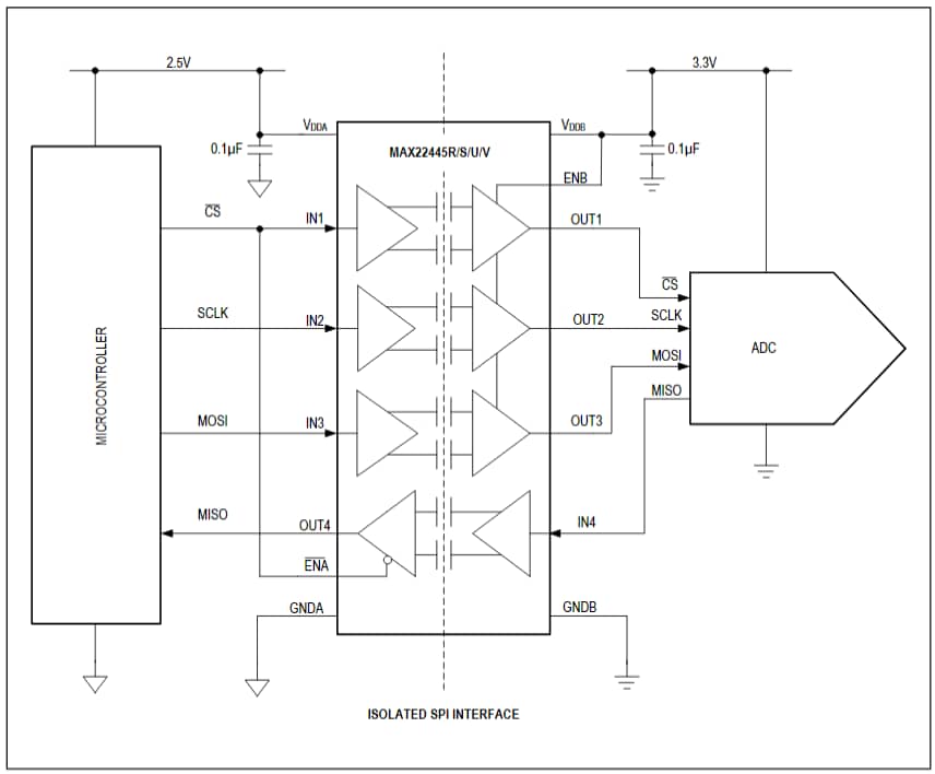
  • 隔離式SPI介面
  • 工業自動化的Fieldbus通訊
  • 隔離式RS-485/RS-422與控制器區域網路 (CAN)
  • 電池管理
  • 醫療系統

MAX22445應用方塊圖

應用電路圖 - Analog Devices / Maxim Integrated MAX22445 4通道數位隔離器
View Results ( 13 ) Page
零件編號 規格書 極性 數據率 絕緣類型 傳播延遲時間 最長下降時間 最長上升時間
MAX22444CAWE+ MAX22444CAWE+ 規格書 Unidirectional 200 Mb/s Galvanic Isolation 6.1 ns 3 ns 2.4 ns
MAX22445EAWE+ MAX22445EAWE+ 規格書 Unidirectional 25 Mb/s, 200 Mb/s Capacitive Coupling
MAX22441CAEE+ MAX22441CAEE+ 規格書
MAX22445FAWE+ MAX22445FAWE+ 規格書 Unidirectional 25 Mb/s, 200 Mb/s Capacitive Coupling 5.7 ns 3 ns 2.4 ns
MAX22446CAWE+ MAX22446CAWE+ 規格書 Unidirectional 25 Mb/s, 200 Mb/s Capacitive Coupling 6.1 ns 3 ns 2.4 ns
MAX22441FAEE+ MAX22441FAEE+ 規格書
MAX22446EAWE+ MAX22446EAWE+ 規格書 Bidirectional 25 Mb/s, 200 Mb/s Galvanic Isolation 24.2 ns 0.8 ns 1 ns
MAX22446EAWE+T MAX22446EAWE+T 規格書 Bidirectional 25 Mb/s, 200 Mb/s Galvanic Isolation 24.2 ns 0.8 ns 1 ns
MAX22446CAWE+T MAX22446CAWE+T 規格書 Unidirectional 25 Mb/s, 200 Mb/s Capacitive Coupling 12 ns 3 ns 2.4 ns
MAX22441CAEE+T MAX22441CAEE+T 規格書
發佈日期: 2018-06-27 | 更新日期: 2023-06-27