Analog Devices / Maxim Integrated MAX25262/MAX25263汽車微型降壓轉換器
Analog Devices MAX25262/MAX25263汽車2A/3A微型降壓轉換器提供具有最高2A/3A電流的整合式高側和低側開關。MAX25262/MAX25263以3.5V至65V輸入範圍運行,空載時僅使用3.5μµA靜態電流。該轉換器包含小的20ns最小導通時間能力,可在單個階段實現大幅降壓式轉換,而不會跳過週期。98%和低高側FET的最大負載循環允許低輸入電壓應用的低壓降運行。Analog Devices MAX25262/MAX25263微型降壓轉換器透過觀察PGOOD訊號,並提供兩個固定5V和3.3V輸出電壓來監測電壓。此外,使用外部電阻分壓器,這些裝置可配置為1V至20V輸出電壓。MAX25262/MAX25263 頻率在內部固定為 2.1 MHz,這允許使用較小的外部元件,減少輸出紋波,並保證無 AM 干擾。400 kHz 選項可實現最小開關損耗和最大效率。當 FSYNC 拉低時,IC 在輕負載時進入跳躍模式,以實現高輕負載效率。引腳可選的強制脈寬調製(PWM)模式還可用於 EMI 關鍵應用。該 IC 採用對稱倒裝芯片封裝,可提供卓越的 EMI 性能。此外,引腳可選的擴頻有助於增強 EMI 性能。
特點
- 符合嚴格的原始設備製造商(OEM)模組功耗和性能規範
- 輸出電流能力為 2A/3A
- 待機模式下供電電流為 3.5 μA
- EMI 降低功能可減少對敏感無線電頻段的干擾,而無需犧牲寬輸入電壓範圍
- 20 ns(典型值)最小導通時間保證 2.1 MHz 處的 3.3 Vout和 24 VIN 無跳變操作
- 擴頻選項
- 鎖相環(PLL)頻率同步
- 支援雙電池操作
- 寬輸入電源範圍(3.5 V 至 65 V)
- 可編程輸出電壓(1 V 至 20 V)
- 固定 5V/3.3V/12V 選項可用
- 保護功能提高系統可靠性
- PGOOD 輸出和高壓 EN 輸入簡化電源排序
- 欠壓鎖定
- 過溫和短路保護
- 獲得 AEC-Q100 認證
應用
- 雙電池汽車系統
- 汽車儀表組
- 分佈式直流電源系統
- 導航和無線電主機
其他資源
影片
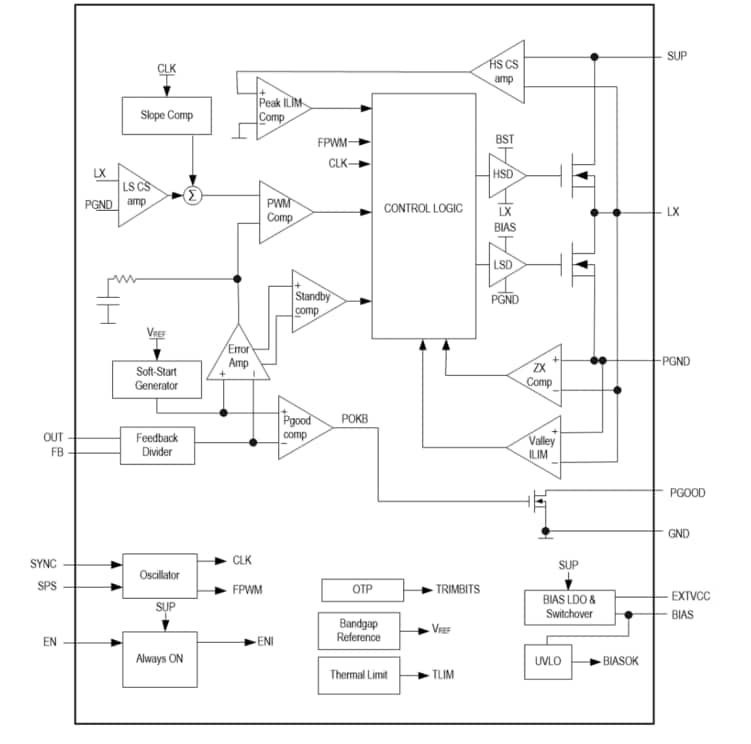
簡化框圖
功能圖
發佈日期: 2023-02-01
| 更新日期: 2023-04-24
