Analog Devices Inc. MAX33072E/MAX33073E RS-485 Transceivers

Analog Devices Inc. MAX33072E/MAX33073E RS-485 Half-Duplex Transceivers come with high ±65V protection for overvoltage conditions on the communication bus lines, ensuring robust protection in harsh industrial environments. Both devices have ±40V of common-mode range (CMR) within VCCH (+4.5V to +5.5V), exceeding the RS-485 standard of -7V to +12V. This feature is suitable for electrically noisy environments where different systems have shifting ground levels relative to each other. They also incorporate a high ESD protection circuit capable of protecting against ±40kV of ESD HBM (human body model) for driver outputs and receiver inputs (A and B data lines). The Maxim MAX33072E/MAX33073E each contains one driver and one receiver and operates over a +3V to +5.5V supply range. This feature makes it convenient for designers to use one part with either +3.3V or +5V supply voltages across multiple end equipment.

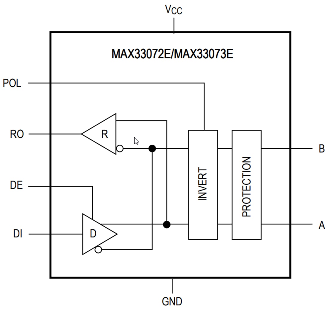
These devices feature a polarity selection input (POL) that swaps the A and B data lines, allowing for software correction of cross-wired field cables. The MAX33072E features slew-rate-limited outputs for data rates up to 500kbps, while the MAX33073E is rated up to 2Mbps for applications requiring higher bandwidth. These transceivers are optimized for robust communication in noisy environments. A true fail-safe feature guarantees a logic-high on the receiver output when the inputs are open or shorted. Driver outputs are protected against short-circuit conditions. The receivers feature a 1/8 unit load input impedance, allowing up to 256x transceivers on a bus. The MAX33072E/MAX33073E are available in an 8-pin SOIC package and operate over the -40°C to +125°C temperature range.

Features

  • Integrated protection for robust communication
    • Protection on driver outputs/receiver inputs (A, B data lines)
      • ±65V fault protection range on driver outputs/receiver inputs
      • ±40V common-mode range on driver outputs/receiver inputs
      • ±40kV human body model (JEDEC JS-001-2017) ESD protection
      • ±15kV air gap discharge (IEC 61000-4-2) ESD protection
      • ±10kV contact discharge (IEC 61000-4-2) ESD protection
    • Hot-swap protection
    • Short circuit protection
    • Thermal shutdown
    • True fail-safe guarantees known receiver output state
    • Wide operating temperature range from -40°C to +125°C
  • High-performance transceiver enables flexible designs
    • Compliant with RS-485 EIA/TIA-485 standard
    • 500kbps (MAX33072E), 2Mbps (MAX33073E) maximum data rate
    • 3V to 5.5V supply range
    • 1/8 unit load for up to 256x devices on the bus

Applications

  • Agriculture and heavy machinery
  • Elevator control
  • Home and building automation
  • HVAC
  • Industrial automation equipment
  • Motion controllers
  • Power supplies and UPS

Simplified Block Diagram

Block Diagram - Analog Devices Inc. MAX33072E/MAX33073E RS-485 Transceivers
發佈日期: 2020-07-01 | 更新日期: 2024-06-04