Analog Devices / Maxim Integrated MAX3325xE隔離型2Tx/2Rx RS-232收發器
Maxim Integrated MAX3325xE隔離型2Tx/2Rx RS-232收發器用於診斷設備、POS系統、工業/GPS/醫療設備及通訊系統。這些隔離型RS-232收發器具有整合式電荷泵與逆變器,無需高電壓正負電源。MAX3325xE收發器在邏輯UART側與現場側之間具有600VRMS的電氣隔離。隔離屏障保護邏輯UART側免受來自現場側的電氣瞬態衝擊。這一屏障還阻斷接地回路及兩側接地電位的巨大差異,從而確保資料的接收及發送。MAX3325xE收發器符合EIA/TIA232E標準,資料傳輸率高達1Mbps。特點
- 高度整合、節省空間及簡化設計
- 整合式電荷泵與逆變器,省去額外電源
- 四個內部電容器節省PCB空間
- 與分立式解決方案相比,整合式隔離器可節省高達63%的空間
- 整合式保護,確保通訊穩定
- 600VRMS耐受隔離電壓,可持續60秒(VISO)
- 200VRMS工作電壓,壽命可長達50年以上(VIOWM)
- 整合式±15kV ESD人體模型(HBM)
應用
- 診斷設備
- POS系統
- 工業設備
- GPS設備
- 通訊系統
- 醫療設備
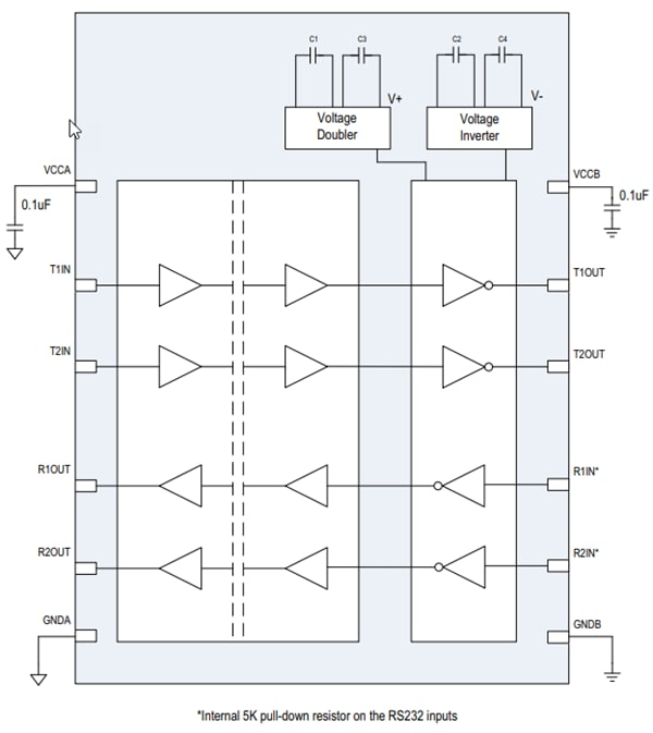
結構圖
發佈日期: 2019-01-30
| 更新日期: 2023-04-21
