Analog Devices Inc. MAX38802 & MAX38803 Step-Down Switching Regulators

Analog Devices MAX38802 and MAX38803 Step-Down Switching Regulators are fully-integrated, highly-efficient switching regulators for applications operating from 6.5V to 14V input supplies that require up to 25A maximum load. These single-chip regulators provide a compact, high-efficiency, power-delivery solution for precision outputs that demand fast transient response.

The MAX38802 and MAX38803 have different programmability options to enable a wide range of configurations. The programmable features include internal and external reference voltage, output voltage setpoint, switching frequency, overcurrent protection level (OCP), and soft-start timing. Discontinuous current mode (DCM) operation can be enabled through pin-strapping to improve light-load efficiency.

The MAX38802 and MAX38803 include multiple protection and measurement features. Positive and negative cycle-by-cycle OCP, short-circuit protection and overtemperature protection (OTP) ensure a robust design. Input undervoltage and overvoltage lockout shut down the regulator to prevent damage when the input voltage is out of specification. Regulation is halted in case of an output overvoltage (OVP) event. A status pin indicates that the output voltage is within range and the output voltage is in regulation. The devices have an analog output that can be configured to report output current or junction temperature with ±5% and ±8°C accuracy, respectively.

The Analog Devices MAX38802 and MAX38803 Step-Down Switching Regulators are available in a compact 2.2mm x 3.8mm WLCSP27 package that provides low thermal resistance and minimizes the PCB area.

Features

  • High-Efficiency Solution
    • Up to 97% peak
    • Up to 87% full-load
    • Up to 96% light-load efficiency at 1A with DCM enabled
  • Footprint compatible with MAX38800 (9A) and MAX38801 (15A)
  • Programmable switching frequency up to 1MHz
  • Programmable soft-start and stat delay timings
  • Programmable reference voltage with an external input option
  • Programmable positive and negative OCP limit
  • Analog current or temperature reporting
  • Differential remote sense with open-circuit detection
  • Fast transient response with Quick-PWM™ architecture
  • Percentage-based output power good and OVP
  • Open-drain status indicator (STAT) pin
  • Input undervoltage and overvoltage lockout
  • Adaptive dead-time control
  • Integrated boost switch
  • Operation using ceramic input and output capacitors
  • 2mm x 3.8mm WLCSP27 package

Applications

  • DDR memory: VDDQ, VPP, and VTT
  • GPU core supplies
  • I/O and chipset supplies
  • Point-of-Load (POL) applications
  • Servers and µServers

MAX38802 Configuration Options

Chart - Analog Devices Inc. MAX38802 & MAX38803 Step-Down Switching Regulators

MAX38803 Configuration Options

Chart - Analog Devices Inc. MAX38802 & MAX38803 Step-Down Switching Regulators

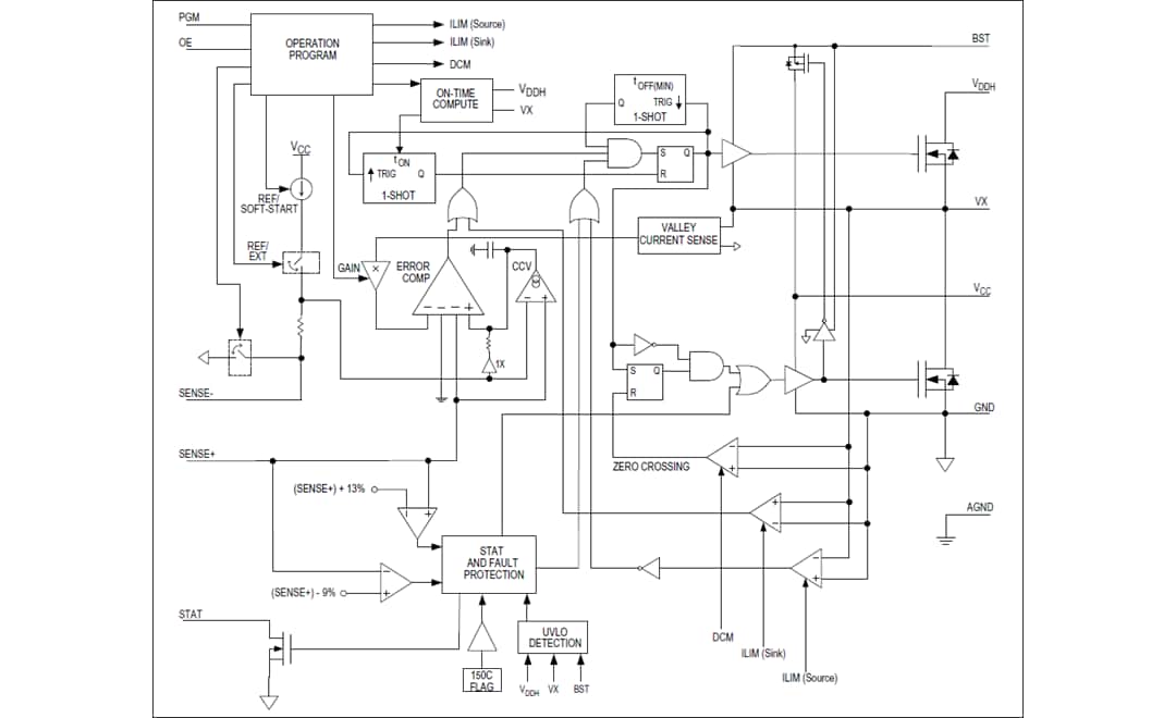
Block Diagram

Block Diagram - Analog Devices Inc. MAX38802 & MAX38803 Step-Down Switching Regulators

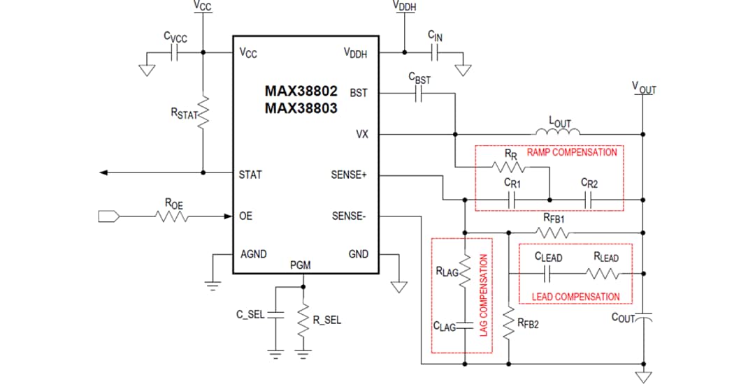
Basic Application Circuit

Application Circuit Diagram - Analog Devices Inc. MAX38802 & MAX38803 Step-Down Switching Regulators
發佈日期: 2020-11-05 | 更新日期: 2024-07-17