Analog Devices / Maxim Integrated MAX40008 & MAX40009 Comparators with Shutdown
Analog Devices MAX40008 and MAX40009 Comparators with Shutdown feature low-voltage operation and rail-to-rail inputs with an operating supply voltage range from 1.7V to 5.5V. This voltage range makes the MAX40008 and MAX40009 ideal for systems running from nominal 1.8V to 5V supplies and only consume 12μA of supply current. The Analog Devices MAX40008 and MAX40009 Comparators achieve a 220ns propagation delay with a 0.5mV (typ.) input offset voltage and internal hysteresis. This ensures clean output switching, even with slow-moving input signals.Features
- 220ns propagation delay
- Tiny 0.73x1.1mm with 0.35mm Pitch 6-Bump WLP and SOT23 packages save board space
- Rail-to-rail inputs
- Low operating current ≤ 17μA (max) over temperature
- No phase reversal for overdriven inputs
- 1.7V to 5.5V supply voltage range allows operation from 1.8V, 2.5V, 3V, and 5V
- Push-pull (MAX40009) or open-drain (MAX40008) outputs
- Integrated RF immunity filters
- Low-power shutdown input reduces quiescent current to 150nA
- -40°C to +125°C temperature range
Applications
- Mobile communications
- Portable/battery-powered systems
- Window comparators
- Level translators
- Threshold detectors/discriminators
- IR receivers
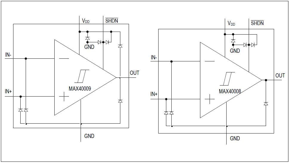
MAX40008 & MAX40009 Block Diagram
發佈日期: 2017-08-07
| 更新日期: 2023-04-14
