Analog Devices / Maxim Integrated MAX77857 Evaluation Kit
Analog Devices MAX77857 Evaluation Kit is a fully assembled and tested Printed Circuit Board (PCB) that demonstrates the MAX77857 buck-boost converter. This device offers 2.5V to 16V input and adjustable output between 4.5V to 15V using internal feedback resistors or 3V to 15V using external feedback resistors. The MAX77857 Evaluation kit is factory-configured as internal feedback with a default startup output voltage at 5V. The Analog Devices MAX77857 Evaluation Kit features I/O pins to support the I2C serial interface, enable function, and interrupt/power-OK indicator.Features
- Proven PCB reference design and layout benefit
- Fully assembled and tested
- Sense points for high-accuracy measurements
- Accessible test point pins for EN, POKB/INTB, VIO, and I2C serial interface SCL, SDA
- MAXUSB_INTERFACE# allows easy communication with a Windows PC
- GUI software that drives the I2C serial interface for optional software control
- Startup output voltage adjustable through external feedback resistors
- Output voltage dynamically adjustable through the I2C serial interface
- I2C slave address, switching current limit, and feedback configuration adjustable using RSEL (R9)
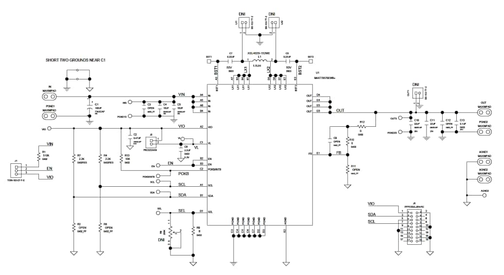
Application Circuit Diagram
MAX77857 EV Kit Schematic
發佈日期: 2022-05-20
| 更新日期: 2023-04-17
