特點
- 以2.6V至5.5V操作
- 0.6V至3.3875V輸出電壓範圍
- 8A輸出電流
- 允許低成本PCB技術
- 包括4個DC-DC降壓式穩壓器
- 包括9個低壓差線性穩壓器
- 無需外部MOSFET
- 在最低功率狀態下消耗12µA
- 所有穩壓器均採用低功率模式,以降低功耗
- LDO僅通過負載點電容器即可穩定操作
- I2C 3.0相容介面
- nIRQ中斷輸出
- 8x GPIO
- 實時時鐘(RTC)
- 後備電池充電器
- 定時時鐘輸出
- 系統看門狗計時器
- I2C看門狗計時器
- 雙向重置I/O
- 靈活的電源定序器(FPS)
- 熱關機
- 操作溫度範圍:-40°C至+85°C
應用
- 個人網路檢視器
- 數碼相片框架
- 機頂盒
- 智能手機
- GPS
- 汽車後市場附件
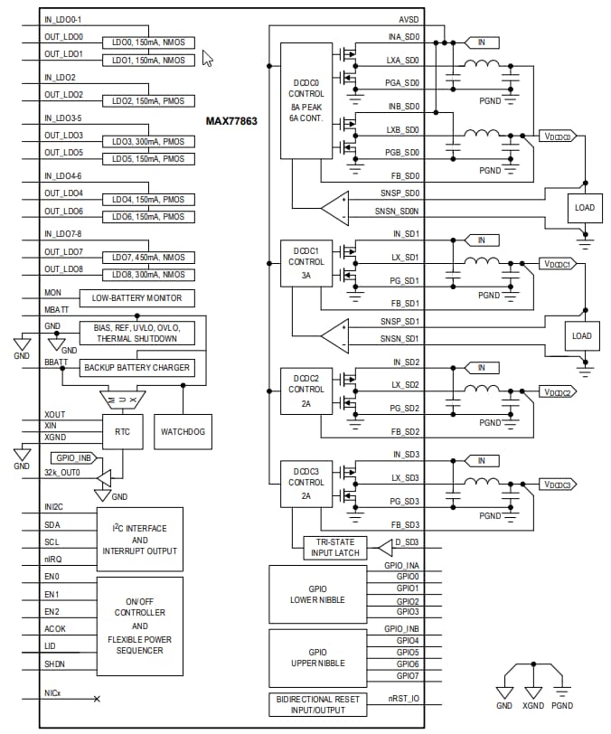
簡化功能圖
發佈日期: 2019-11-22
| 更新日期: 2023-05-04

