Analog Devices Inc. MAX77958 USB Type-C™和USB PD控制器
Analog Devices Inc. MAX77958 USB Type-C™和USB PD控制器是用於USB Type-C CC偵測和Power Delivery (PD) 通訊協定實作的強大解決方案。其使用Type-C CC偵測和USB PD訊息傳遞以偵測連接的配件或裝置。MAX77958可防止過電壓和過電流,而且還能偵測濕度,並防止USB Type-C連接器腐蝕。IC亦具備D+/D- USB開關和BC1.2偵測,支援傳統的USB標準。該裝置包含用於USB PD的VCONN開關和用於外部VCONN升壓或降壓轉換器的啟用腳位。ADI MAX77958內含符合USB Type-C規格1.3版和PD 3.0的韌體,可輕鬆完成更進一步的自訂,而不會影響合規性。MAX77958具有I2C主控,可讀寫系統中的其他裝置,因此韌體不需依靠主處理器的協助即可設定相關裝置。例如,可以依據BC1.2偵測、CC偵測和PD通訊來設定外部充電器。
IC具備中斷輸出腳位,可回報事件偵測和狀態變更。還有一個I2C介面,可供系統讀取/寫入及設定內部暫存器。MAX77958提供九個可設定的GPIO,可用於偵測,還能當作中斷、外部裝置開/關的開啟腳位,或ADC輸入使用。IC採用3.10 mm x 2.65 mm、0.5 mm間距的晶圓級封裝 (WLP)。
特點
- 可自訂韌體
- USB相容的預設嵌入式韌體
- 支援針對事件採取自訂動作
- 可針對日後的規格修訂更新韌體
- 支援USB Type-C和USB-PD
- 相容於USB Type-C 1.3版和PD 3.0
- 模式設定:汲極/源極/雙重角色連接埠
- 支援可程式電源供應器 (PPS) 汲極
- 支援快速角色切換 (FRS) 初始汲極
- 纜線方向和電源角色偵測
- 整合VCONN開關,含OCP
- 支援Try.Snk狀態
- 音訊和偵錯附件汲極/源極模式
- 支援BC1.2傳統/專有充電器偵測,整合D+/D-開關
- 水分偵測防腐蝕功能
- 高電壓VBUS範圍 (28V)
- CC腳位 (22V) 上的VBUS短路保護
- 支援電量耗盡電池
- 來自SYS和VBUS的雙電源輸入
- I2C可程式設計
- I2C主控可控制外部充電器或直接充電IC
- 9個可設定的GPIO(GPIO6用於SID)
- 超高速多工/偵測/IRQ
- EN/DISABLE外部開關或裝置
- 3.10mm x 2.65mm WLP30封裝,0.5mm間距
應用
- 智慧型手機
- 平板電腦
- 相機
- 遊戲播放器
- 行動電源
- 工業設備PoE轉USB Type-C轉接器
- 手持裝置
- 可攜式裝置
- 監視器
- 保健與醫療裝置
- 其他USB Type-C裝置
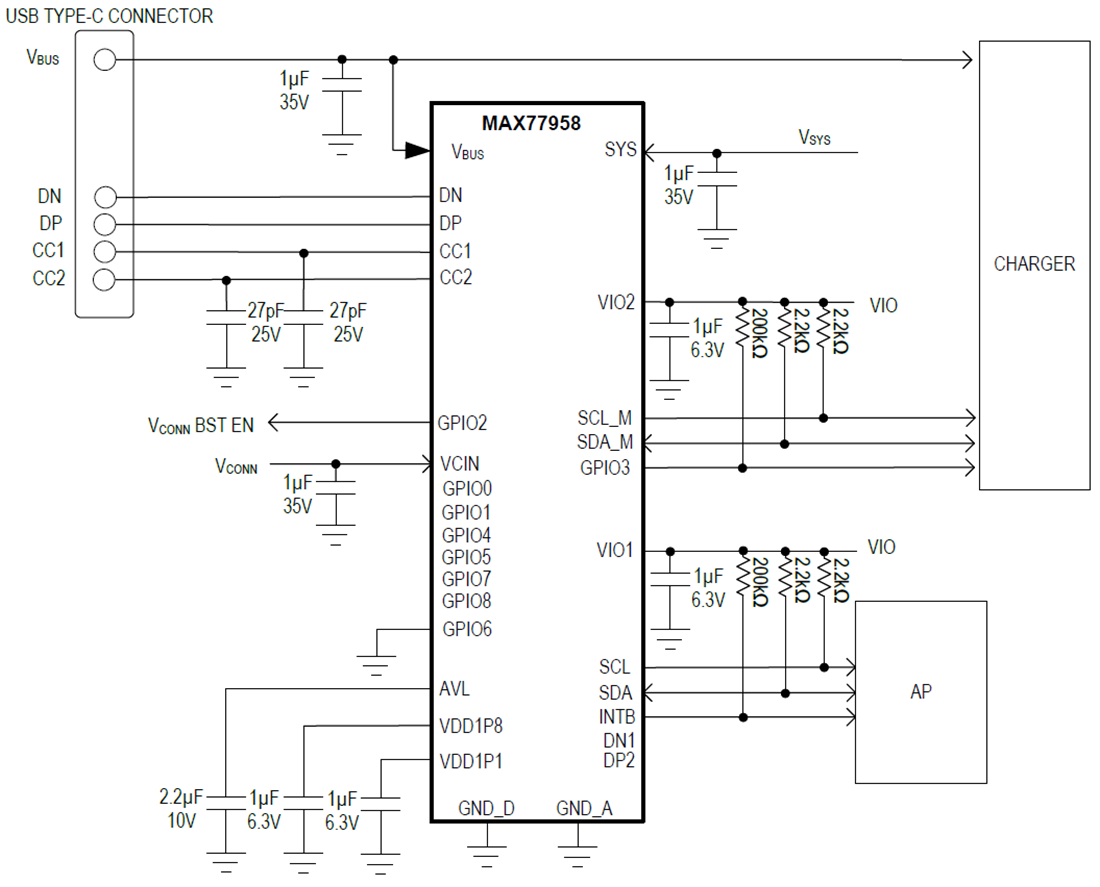
方塊圖
發佈日期: 2020-05-14
| 更新日期: 2024-05-20
