Analog Devices Inc. MAX98050 Audio CODEC
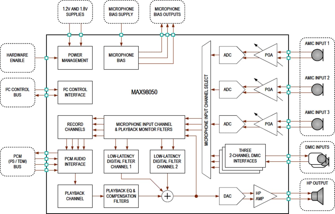
Analog Devices MAX98050 Audio CODEC is a high-performance, low-power device with integrated low-latency digital filters for wireless hearables, headsets, and headphones. The MAX98050 features a mono playback channel with a 5-band biquad equalizer and a high-efficiency, fully differential hybrid class-AB/class-D headphone amplifier. The playback headphone amplifier is optimized for extremely low output noise levels and minimized quiescent power consumption while maximizing output power efficiency.The MAX98050 includes three microphone input channels capable of supporting voice, ambient, and anti-noise record use cases. Each channel can individually record from either an external analog or digital microphone and then can route audio data to both the record channels and the internal low-latency digital filter channels. A fourth record channel to the digital audio interface is provided to allow the host to monitor the playback channel output digital data.
Two low-latency digital filter channels are provided to support a variety of use cases. These include noise cancellation applications (feed-forward, feedback, and hybrid filter profiles), both voice and ambient enhancement and transparency applications, and sidetone applications. Each channel provides a 12-band digital biquad filter, a DRC or Limiter stage, a digital volume control block, and an ultrasound filter. Also, a third internal digital filter channel is provided in the playback channel that is structured for playback compensation and/or general feedback compensation filters. This channel includes a 10-band biquad filter and a digital volume control block. To support dynamic or adaptive filters and use case transitions, the biquad filters and volume controls provide banked profiles that can be updated/swapped without disruption to audio playback.
The flexible digital audio interface supports common PCM audio data formats such as I2S, left-justified, and TDM timing with 16-bit, 24-bit, or 32-bit data word and channel lengths. The PCM interface supports playback sample rates from 8kHz to 192kHz and record sample rates from 8kHz to 48kHz. The device requires external bit and frame clocks but eliminates the need for a high-speed external master clock.
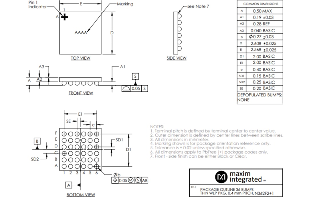
The Analog Devices MAX98050 Audio CODEC is available in a small 6.7mm2 WLP32 package with a low 0.5mm height ideal for tight form factors. The device operates over an extended -40°C to +85°C temperature range.
Features
- Low-latency digital filter channels
- 96kHz, 192kHz, and 384kHz sample rate options
- Channel support applications including Feed-Forward (FF) and Feedback (FB), Active Noise Cancellation (ANC), Ambient/Voice Enhancement and Transparency, and Playback Compensation
- Filters allowing smooth, dynamic transitions and updates without playback disruption
- Mono headphone playback channel
- High-efficiency hybrid class-AB/D amplifier
- 114dB playback dynamic range
- 2.55mW PQ (fS = 48kHz, no noise gate)
- 1.9mW PQ (fS = 48kHz, with noise gate)
- Three microphone record channels
- Analog or digital microphone inputs
- 107.0dB dynamic range (AMIC single-ended)
- 113.0dB dynamic range (AMIC differential))
- 5.3mW PQ (fS = 16kHz, 2 AMIC record)
- 2.1mW PQ (fS = 16kHz, 2 DMIC record)
- Playback with ANC filter profile (fS = 192kHz)
- 9.85mW PQ (AMIC FF+FB profile)
- 6.7mW PQ (AMIC FF only profile)
- 7.0mW PQ (DMIC FF+FB profile)
- Full-scale playback power at 1% THD+N:
- 31.0mW into 32Ω (1VRMS Full-Scale Mode)
- 15.0mW into 32Ω (Reduced Swing Mode)
- 61.0mW into 16Ω (1VRMS Full-Scale Mode)
- Flexible I2S/TDM digital audio interface
- Support for 16-, 24-, and 32-bit audio data
- Playback sample rates of 8kHz to 192kHz
- No high-speed master clock required
- Audio CODEC evaluation platform available, includes ADI Reference Headset Design
- 6.7mm x 6.7mm x0.5mm WLP36 package with a 4.0mm pitch
Applications
- True wireless hearables and headsets
- Stereo BLUETOOTH® headsets and headphones
- Mono BLUETOOTH earpieces
- PSAP devices and hearing assist devices
- VR/AR headsets and head-mounted devices
Videos
Block Diagram
Package Outline
