Apex Microtechnology AIC1605 High Voltage Interface IC
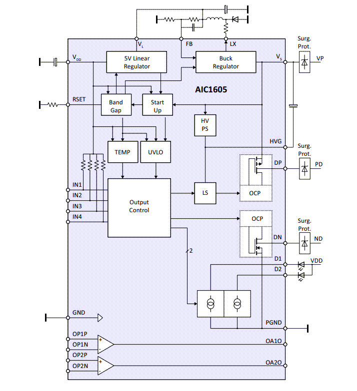
Apex Microtechnology AIC1605 High Voltage Interface IC features high voltage N-Type and P-Type open drain outputs, a buck and linear regulator, two OP-AMPs, and two LED drivers. The AIC1605 is highly suitable for building a three-wire sensor interface. The Apex Microtechnology AIC1605 High Voltage Interface IC offers a wide 5V to 36V supply voltage range and can be used as a supply or output stage for various other applications.Features
- Wide supply voltage range (5V to 36V)
- Built-in 5V/20mA linear regulator
- Adjustable fixed-frequency buck regulator (8V to 34V)
- P-Type and N-Type open drain outputs, 100mA, over-current, and short circuit protected
- 2x LED current sinks, 2mA
- 2x generic operational amplifiers
- Buck and linear regulators are useable in different configurations
- Wide range of target applications
Applications
- Inductive proximity sensing companion
- Optical switch drives
- Pre-amplifiers
- LED drivers
- DC motor control
- UART - RS232 converter
- MCU, I/O, or sensor interfaces
Simple Application Circuit
Block Diagram
發佈日期: 2023-09-29
| 更新日期: 2023-10-04
