Apex Microtechnology PA166 High Voltage Power Operational Amplifier IC
Apex Microtechnology PA166 High Voltage Power Operational Amplifier IC is a high-density, multi-purpose power amplifier IC utilizing a leading-edge package design. This operational amplifier IC is designed with a pair of high-voltage operational amplifiers with monolithic cores. The PA166 high voltage operational amplifier IC features exceptional channel separation of 80dB; each channel operates up to 205V while providing 1A of continuous current. This operational amplifier IC offers high voltage operation (200V output), high output current (4A peak), and low cost.The PA166 multi-purpose operational amplifier IC includes various safety options for system protection, including a temperature-compensated current limit, an over-current flag, and an output disable feature. This high-density operational amplifier IC is RoHS-compliant and is available in a 20mm x 20mm surface mount package. Typical applications include high-density voltage or current supplies, electrostatic transducer and deflection, deformable mirror focusing, and piezoelectric positioning.
Features
- Monolithic MOS technology for amplifier core
- Cost-effective
- Dual-channel design
- Amplifier disable feature
- High power density for bridge and parallel configurations
- Temperature-compensated current limit
- Surface mount package with top-side heatsinking
- Low cost
- RoHS-compliant
Specifications
- 205V supply voltage
- 1A Continuous output current
- 4A peak output current
- 35V/µs slew rate
- 80dB channel separation
- 20mm x 20mm package body measurement
Applications
- High-density voltage or current supplies
- Electrostatic transducers and deflection
- Deformable mirror focusing
- Piezoelectric positioning
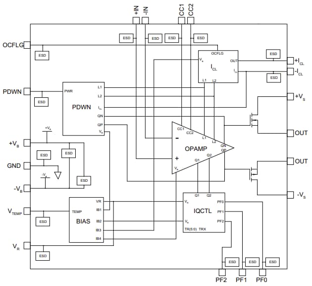
Block Diagram (Single Channel)
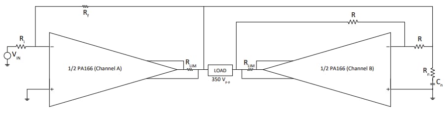
Bridge Configuration
Parallel Configuration
Package Dimensions
Additional Resource
發佈日期: 2023-04-25
| 更新日期: 2023-12-07
