Bel Power Solutions RCM200 Dual Output DC-DC Converters

Bel Power Solutions RCM200 Dual Output DC-DC Converters are designed for chassis mounting and exhibit a closed housing with cooling openings. These DC-DC converters are reliable power supplies for railway and transportation systems. The RCM200 DC-DC converters offer extremely high efficiency and high power density. These dual-output DC-DC converters boast overtemperature, overvoltage, overcurrent, and overload protections. The RCM200 DC-DC converters measure 116mm x 38mm x 188.6mm and are compliant with EN 50155, EN 50121-3-2, and AREMA. Also, these DC-DC converters are safety-approved to IEC/EN 62368-1, CSA 62368-1, and UL 62368-1.

Features

  • RoHS lead-free-solder product
  • Dual output +15V/-15V or +24V/-24V
  • Closed housing for chassis mounting
  • Extremely high efficiency and high power density
  • Low inrush current
  • 3 connectors, input, output, and auxiliary
  • Overtemperature, overvoltage, overcurrent, and overload protections
  • Compliant to EN 50155, EN 50121-3-2, and AREMA
  • Safety-approved to IEC/EN 62368-1, CSA 62368-1, and UL 62368-1

Applications

  • Railway and transportation systems

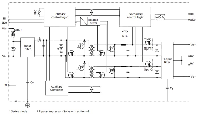
Block Diagram

Block Diagram - Bel Power Solutions RCM200 Dual Output DC-DC Converters

Efficiency

Performance Graph - Bel Power Solutions RCM200 Dual Output DC-DC Converters
View Results ( 16 ) Page
零件編號 輸出功率 標稱輸入電壓 輸入電壓(最小值) 輸入電壓(最大值) 輸入電壓
110RCM200-1515DM 200 W 110 VDC 50.4 VDC 137.5 VDC 50.4 VDC to 137.5 VDC
24RCM200-1515DM 200 W 24 VDC 16.8 VDC 45 VDC 16.8 VDC to 5 VDC
110RCM200-1515DMF 200 W 110 VDC 50.4 VDC 137.5 VDC 50.4 VDC to 137.5 VDC
110RCM200-1515DMFK 200 W 110 VDC 50.4 VDC 137.5 VDC 50.4 VDC to 137.5 VDC
110RCM200-1515DMK 200 W 110 VDC 50.4 VDC 137.5 VDC 50.4 VDC to 137.5 VDC
110RCM200-1515DMQ 200 W 110 VDC 50.4 VDC 137.5 VDC 50.4 VDC to 137.5 VDC
110RCM200-1515DMQF 200 W 110 VDC 50.4 VDC 137.5 VDC 50.4 VDC to 137.5 VDC
110RCM200-1515DMQFK 200 W 110 VDC 50.4 VDC 137.5 VDC 50.4 VDC to 137.5 VDC
110RCM200-1515DMQK 200 W 110 VDC 50.4 VDC 137.5 VDC 50.4 VDC to 137.5 VDC
24RCM200-1515-DMF 200 W 24 VDC 16.8 VDC 45 VDC 16.8 VDC to 5 VDC
發佈日期: 2024-08-31 | 更新日期: 2024-09-25