Bosch BMA580 Shuttle Board 3.0
Bosch BMA580 Shuttle Board 3.0 is a printed circuit board (PCB) with a pre-mounted BMA580 Acceleration Sensor. In combination with the Application Board 3.0/3.1, the shuttle board evaluates various functionalities provided on the BMA530 sensor. The BMA580 Shuttle Board 3.0 allows easy access to the sensor pins via a simple socket and can be directly plugged into the Bosch Sensortec Application Board 3.0/3.1.Features
- Pre-mounted BMA580 acceleration sensor
- Evaluates various functionalities of the BMA580
- Easy access to sensor pins via a simple socket
- Plugs directly into the Bosch Sensortec Application Board 3.0/3.1
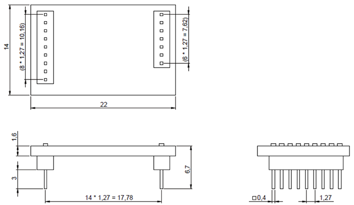
- 22mm x 14mm x 1.6mm dimensions
Applications
- Hearables and voice activation detection
- Consumer devices with advanced performance requirements
Electrical Layout
Dimensions
發佈日期: 2024-05-14
| 更新日期: 2024-05-17
