Bourns PER28 Long Life Incremental Ring Encoder
Bourns PER28 Long Life Incremental Ring Encoder provides a 28mm package diameter with 10mA at 5VDC circuit compatibility and 2-bit quadrature code output. This low-profile incremental encoder offers haptic detent feedback, sealing to IP40, and a through-hole mounting style. The ring interface allows illumination or the installation of other components in the center. Other features are a 50,000 rotational cycle rating, 15PPR resolution range, 60RPM maximum rotational speed, and -30°C to +80°C operating temperature range. Bourns PER28 Long Life Incremental Ring Encoder is ideally suited for use in low / medium risk medical and laboratory equipment, professional audio and lighting applications as well as in industrial automation controls and other applications where a menu select encoder is required.Features
- Low-profile incremental encoder with 28mm package diameter
- THT mounting style
- Haptic detent feedback
- Sealable to IP40 rating
- RoHS compliant
Applications
- Professional lighting consoles
- Consumer white goods
- Low/medium risk medical and diagnostic equipment
- Test and measurement equipment
- Communications equipment
- Laboratory equipment
- Industrial automation controls
Specifications
- 50,000 rotational cycle rating
- 15PPR resolution range
- 60RPM maximum rotational speed
- 10mA at 5VDC circuit compatibility
- 2-bit quadrature code output
- -30°C to +80°C operating temperature range
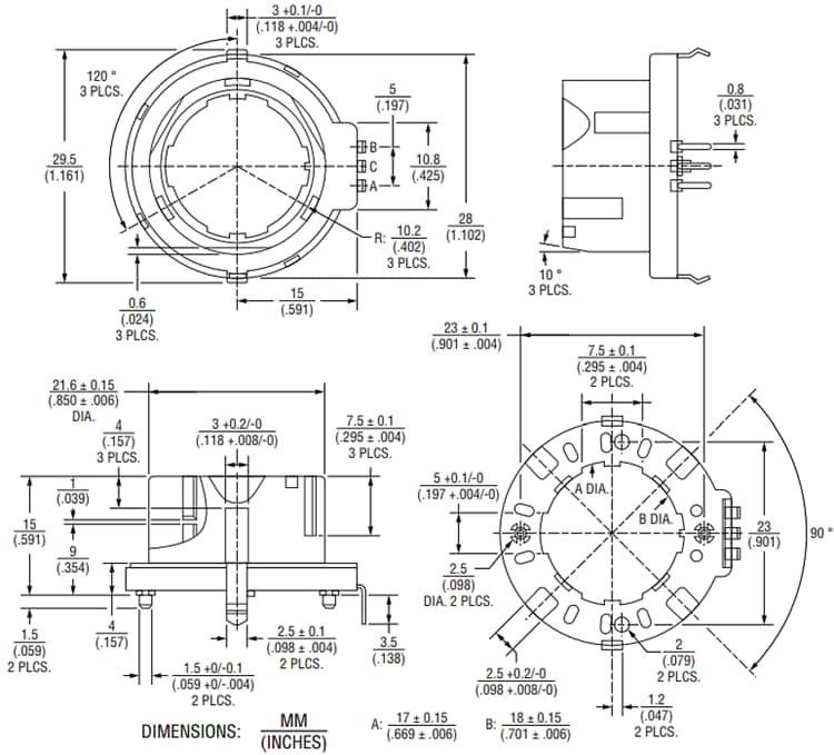
Dimensions
發佈日期: 2021-04-28
| 更新日期: 2022-03-11
