Bourns SM353230-181N7Y片式LAN變壓器

Bourns SM353230-181N7Y片式LAN變壓器符合IEEE 802.3乙太網標準,與1G/2.5G/5G Base-T相容,尺寸為3.5mm x 3.2mm x 2.9mm。此變壓器的中心螺紋組件纏繞在鼓狀磁芯上,配有鐵氧體板,可模擬環形磁芯的近磁路徑結果。該系列設有分立式變壓器和共模扼流圈,可實現靈活的PCB佈局。Bourns SM353230-181N7Y片式LAN變壓器理想適用於高速電訊和網路裝置。

特點

  • 符合IEEE 802.3乙太網路標準
  • 與1G/2.5G/5G BASE-T相容 
  • 尺寸3.5mm x 3.2mm x 2.9mm
  • 分立式變壓器和共模扼流圈,可實現靈活的PCB佈局。
  • 配對的共模扼流圈SRF2012A-801Y,可降低EMI
  • 溫度範圍:-40°C至+85°C
  • 符合RoHS規定及無鹵
  • 理想適用於高速電訊和網路裝置

應用

  • 高速通訊
  • 網路裝置

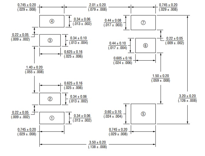
端子尺寸 - 頂部視圖

Bourns SM353230-181N7Y片式LAN變壓器
發佈日期: 2021-01-11 | 更新日期: 2024-03-28