特點
-
相容IEEE 802.3乙太網路
- 相容
- SM453230-121N7YP為10G Base-T
- SM453230-231N7YP為1G/2.5G/5G Base-T
- PoE+功能
- 獨立式變壓器和共模晶片電感器,能為PCB的配置帶來彈性
- 配對共模晶片電感器可減少EMI
- SRF2012-900YA適用於SM453230-121N7YP
- SRF2012A-801Y適用於SM453230-231N7YP
- 溫度範圍:-40°C至+85°C
- 不含鹵素、符合RoHS
規格
- SM453230-121N7YP
- 100 kHz、0.1V、0 mA時電感為120 µH
- ±3%匝數比
-
1 MHz到500 MHz的典型插入損耗為-2.0 dB,最大值-3.0 dB
- 21 pF典型電容
- 700 mA POE+
- 1500 VAC hi-pot達60秒
- SM453230-231N7YP
- 電感
-
100 kHz、0.1V、0 mA時為230 µH
- 100 kHz、0.1V、15 mA時為200 µH
-
-
±3%匝數比
-
1 MHz到250 MHz的典型插入損耗為-1.5 dB,最大值-2.3 dB
- 35 pF典型電容
- 700 mA POE+
- 1500 VAC hi-pot達60秒
- 電感
電器示意圖
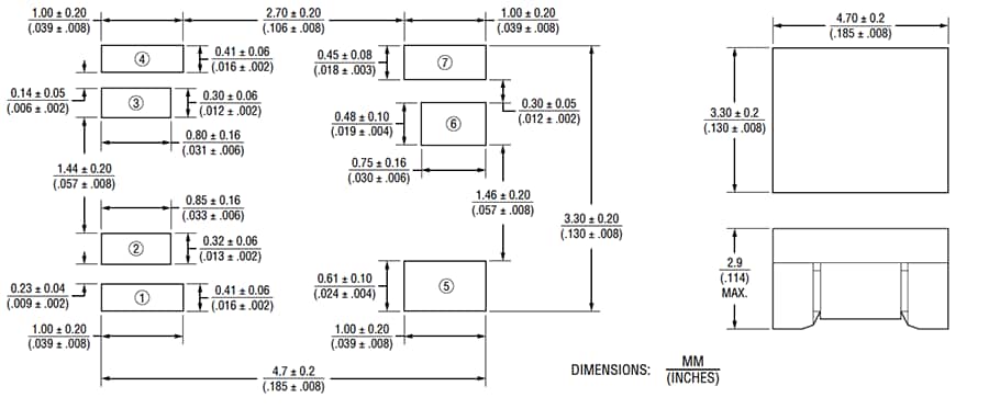
尺寸
發佈日期: 2021-12-07
| 更新日期: 2024-06-19

