Bourns SM91604L LAN Gigabit Ethernet Transformer
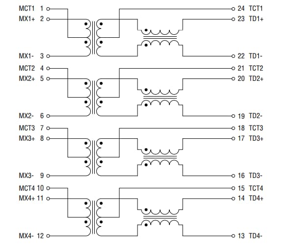
Bourns SM91604L LAN Gigabit Ethernet Transformer is a single-port transformer designed to meet Gigabit Ethernet communication requirements with reinforced insulation. This transformer features a 0.35μH maximum leakage inductance (100kHz/0.1V) 4680VDC isolation voltage, 800V working voltage, and 8mm minimum creepage distance. The SM91604L transformer operates from -40°C to 105°C temperature range and is RoHS compliant. This transformer includes common mode chokes for noise rejection for Ethernet applications. The SM91604L transformer is used in white goods and industrial 4.0 applications.Features
- Designed to meet Gigabit Ethernet requirements
- 800V working voltage
- 8mm minimum creepage and clearance distance
- 0.35μH maximum leakage inductance (100kHz/0.1V)
- Hi-Pot: 4680VDC
- -40°C to 105°C operating temperature range
- Moisture Sensitivity Level (MSL 1)
- Reinforced insulation per IEC 60664-1 and IEC 62368-1 standards
- RoHS compliant
Applications
- White goods
- Industrial 4.0
Mechanical Diagram
Electrical Schematic Diagram
發佈日期: 2023-10-19
| 更新日期: 2023-11-02
