Bourns SRF9005A AEC-Q200 Automotive-Grade Line Filters

Bourns SRF9005A AEC-Q200-Compliant Automotive-Grade Line Filters are constructed with a ferrite toroid core delivering high impedance over a broad frequency range. These Bourns automotive-grade line filters suppress electromagnetic interference (EMI) coming into or exiting the system. The SRF9005A series is AEC-Q200-compliant with an operating temperature range of -40°C to +105°C. The devices are ideal for use in various automotive systems and EMI suppression.

Features

  • Up to 1.6A current rating
  • 10µH to 6500µH inductance range
  • Up to 300MHz frequency
  • AEC-Q200-compliant
  • RoHS-compliant and halogen-free

Applications

  • EMI suppression
  • Automotive systems

Specifications

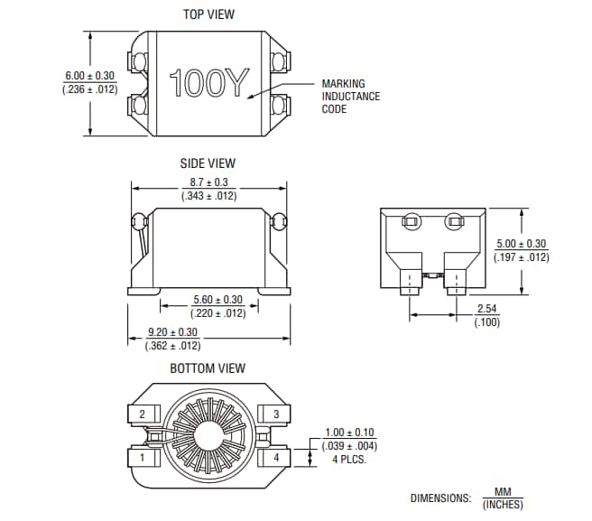
  • 9.2mm x 6mm x 5mm dimensions
  • 0.3A to 1.6A rated current range
  • -40°C to +105°C operating temperature range

Dimensions

Mechanical Drawing - Bourns SRF9005A AEC-Q200 Automotive-Grade Line Filters

Schematic

Schematic - Bourns SRF9005A AEC-Q200 Automotive-Grade Line Filters
發佈日期: 2025-04-03 | 更新日期: 2025-06-09