Bourns SSD Shunt Current Sensors
Bourns SSD Shunt Current Sensors are 24-bit isolated sensors with CANbus or RS-485/MODBUS interface. These sensors feature a 100A to 1000A current rating (2kA to 20kA peak), 1500VDC reinforced galvanic isolation, and ECC flash memory with autocorrect single-bit errors. The SSD sensors also feature a 0.1% tolerance, a 16-bit 150°C microcontroller, and internal and external CRC data error detection. These sensors include advanced non-linear temperature compensation for battery systems, motor drives, renewable energy, and EV charging station applications.
Features
- 24-bit isolated shunt current sensor with CANbus or RS-485/MODBUS interface
- 100A to 1000A current rating (2kA to 20kA peak)
- 1500VDC reinforced galvanic isolation
- 0.1% tolerance
- 16-bit 150°C microcontroller
- 24-bit ADC with buffered analog inputs
- ECC flash memory with autocorrect single-bit errors
- Internal and external CRC data error detection
- Advanced non-linear temperature compensation
Applications
- Battery systems
- Motor drives
- Renewable energy
- EV charging station
Specifications
- ±100A nominal current
- +2kA/-1kA peak current (no clipping)
- 300μΩ shunt resistance (excluding primary termination resistance)
- 5kHz bandwidth
- <±0.1% + 5mA linearity over current range
- Up to 1100rps speed (0.9ms to 3300ms per reading)
- 3500VAC RMS dielectric strength (1 minute)
Videos
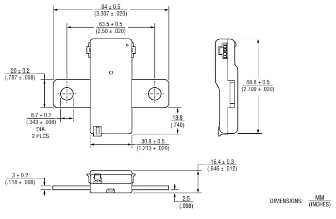
Dimensions
Datasheets
發佈日期: 2024-06-28
| 更新日期: 2026-01-28
