Broadcom AS38-H39E-B13S 39-Bits Multi-Turn Encoder
Broadcom AS38-H39E-B13S 39-Bits Multi-Turn Encoder is a multi-turn absolute encoder series with a high-resolution option of 39 bits (23-bit single-turn and 16-bit multi-turn). The single-turn encoder contains a detector Opto-ASIC. This detector is accompanied by a high-precision amplifier circuitry coupled with a special multi-track code disk that rotates between the emitter and the detector.The Broadcom AS38-H39E-B13S multi-turn encoder does not need a battery as the Wiegand-based energy harvesting technology generates its power. The magnet mounted on the shaft moves in tandem when the shaft rotates. The energy harvesting coil module reacts with the moving magnet field, generating count pulses and energy. The beauty is that the same amount of energy is generated independently of the speed of rotation. The generated energy is sufficient to power the revolution tracking circuitry. Therefore, no miss counts occur even in the absence of an external power supply.
Features
- 39-bit resolution: 16-bit energy harvesting multi-turn and 23-bit optical single-turn
- With CRC and alarm status bits
- Built-in BiSS-C mode communication protocols
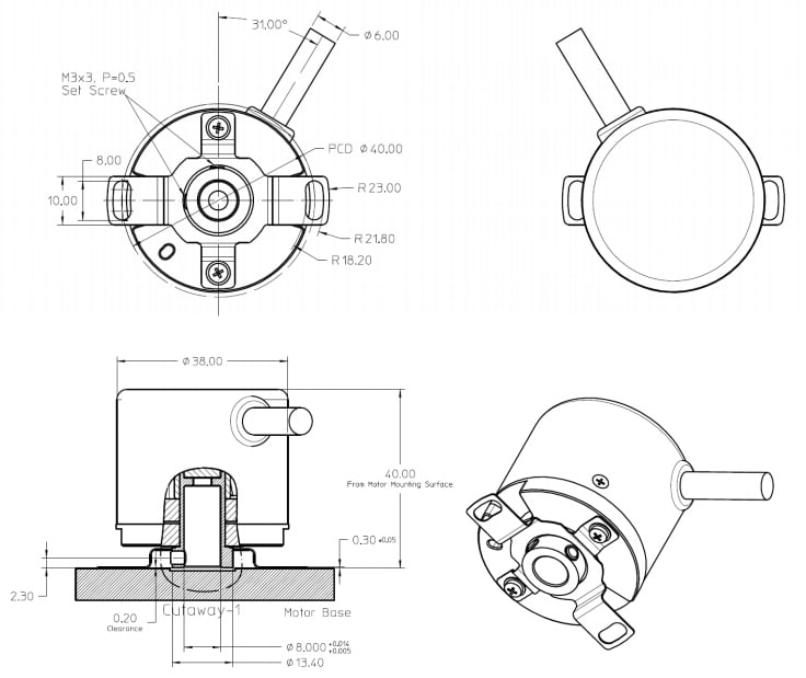
- Overall encoder diameter of Ø38mm and a maximum height of 40mm
- 8mm blind hollow shaft diameter
Applications
- Robot and robotic engineering
- Factory automation
- Angular and linear positioning systems
- CNC machine tools
Package Dimensions
發佈日期: 2016-06-07
| 更新日期: 2022-03-11
