Central Semiconductor CDMSJ N-Channel Super Junction MOSFETs
Central Semiconductor CDMSJ N-Channel Super Junction MOSFETs offer high current, high blocking voltage, and 650V drain-source voltage. This MOSFET combines high voltage capability with low RDS(ON), low threshold voltage, and low gate charge. Typical applications include Power Factor Correction (PFC), solar power inverters, electric vehicle inverters, and Switch Mode Power Supplies (SMPS).Features
- Low-on-resistance relative to VDS maximum
- High blocking voltage
- Fast switching speeds
Applications
- Electric vehicle inverters
- Solar power inverters
- Power Factor Correction (PFC)
- Switch Mode Power Supplies (SMPS)
- TV Power
- UPS
- PD charger
- Adapter
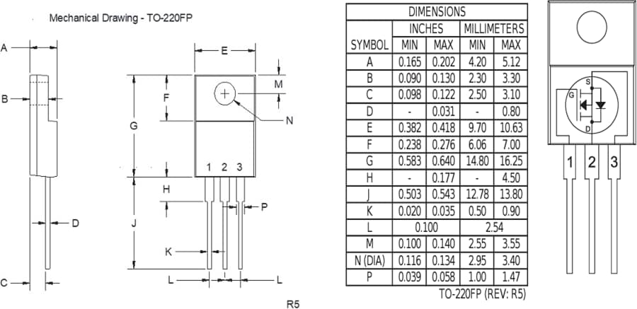
Dimension Diagram
Additional Resource
發佈日期: 2023-12-04
| 更新日期: 2025-02-13
